Cold-formed Steel Section Shape Dimensions

Review and modify the values of section shape dimension parameters of cold-formed steel structural framing elements.

These type properties are created from the Section Shape family category parameter of the element.

Section shape Available shape dimension parameters
Rectangular HSS (cold-formed steel)

B. Width: the external width of the section shape.

H. Height: the external height of the section shape.

T. Wall Design Thickness: the perpendicular design thickness between the inner and outer surface of a section shape.

t. Wall Nominal Thickness: the average perpendicular distance between the inner and outer surface of the section shape.

r1. Inner Fillet: the radius of the inner corner fillet of a rectangular hollow structural section shape.

r2. Outer Fillet: the radius of the outer corner fillet of a rectangular hollow structural section shape.

y. Centroid Horizontal: the distance from the centroid of the section shape to the left extremities along the horizontal axis.

z. Centroid Vertical: the distance from the centroid of the section shape to the lower extremities along the vertical axis.

alpha. Principle Axes Angle: the rotational angle between the principle axes and cross section reference planes. This is listed as a Structural Analysis family parameter.

Round HSS (cold-formed steel)

D. Diameter: the external diameter of the round section shape.

T. Wall Design Thickness: the perpendicular design thickness between the inner and outer surface of a section shape.

t. Wall Nominal Thickness: the average perpendicular distance between the inner and outer surface of the section shape.

y. Centroid Horizontal: the distance from the centroid of the section shape to the left extremities along the horizontal axis.

z. Centroid Vertical: the distance from the centroid of the section shape to the lower extremities along the vertical axis.

alpha. Principle Axes Angle: the rotational angle between the principle axes and cross section reference planes. This is listed as a Structural Analysis family parameter.

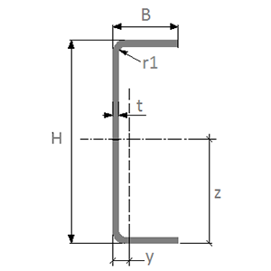
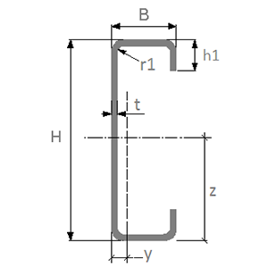
C Profile

B. Width: the external width of the section shape.

H. Height: the external height of the section shape.

T. Wall Design Thickness: the perpendicular design thickness between the inner and outer surface of a section shape.

t. Wall Nominal Thickness: the average perpendicular distance between the inner and outer surface of the section shape.

r1. Inner Fillet: the radius of the inner corner fillet of a bend in a cold-formed steel section shape.

y. Centroid Horizontal: the distance from the centroid of the section shape to the left extremities along the horizontal axis.

z. Centroid Vertical: the distance from the centroid of the section shape to the lower extremities along the vertical axis.

alpha. Principle Axes Angle: the rotational angle between the principle axes and cross section reference planes. This is listed as a Structural Analysis family parameter.

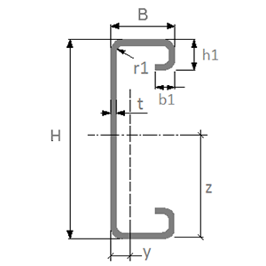
C Profile with Fold

B. Width: the external width of the section shape.

H. Height: the external height of the section shape.

h1. Lip Length: the distance between the exterior surface of the section shape and the end of the lip segment.

b1. Fold Length: the distance between the exterior surface of the lip segment and the end of the fold segment.

T. Wall Design Thickness: the perpendicular design thickness between the inner and outer surface of a section shape.

t. Wall Nominal Thickness: the average perpendicular distance between the inner and outer surface of the section shape.

r1. Inner Fillet: the radius of the inner corner fillet of a bend in a cold-formed steel section shape.

y. Centroid Horizontal: the distance from the centroid of the section shape to the left extremities along the horizontal axis.

z. Centroid Vertical: the distance from the centroid of the section shape to the lower extremities along the vertical axis.

alpha. Principle Axes Angle: the rotational angle between the principle axes and cross section reference planes. This is listed as a Structural Analysis family parameter.

C Profile with Lips

B. Width: the external width of the section shape.

H. Height: the external height of the section shape.

h1. Lip Length: the distance between the exterior surface of the section shape and the end of the lip segment.

T. Wall Design Thickness: the perpendicular design thickness between the inner and outer surface of a section shape.

t. Wall Nominal Thickness: the average perpendicular distance between the inner and outer surface of the section shape.

r1. Inner Fillet: the radius of the inner corner fillet of a bend in a cold-formed steel section shape.

y. Centroid Horizontal: the distance from the centroid of the section shape to the left extremities along the horizontal axis.

z. Centroid Vertical: the distance from the centroid of the section shape to the lower extremities along the vertical axis.

alpha. Principle Axes Angle: the rotational angle between the principle axes and cross section reference planes. This is listed as a Structural Analysis family parameter.

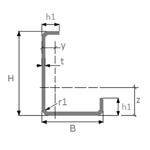
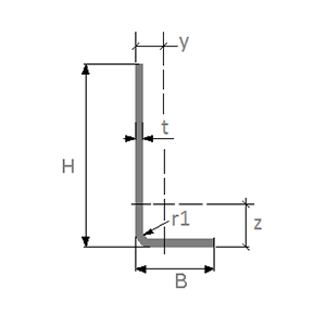
L Profile

B. Width: the external width of the section shape.

H. Height: the external height of the section shape.

T. Wall Design Thickness: the perpendicular design thickness between the inner and outer surface of a section shape.

t. Wall Nominal Thickness: the average perpendicular distance between the inner and outer surface of the section shape.

r1. Inner Fillet: the radius of the inner corner fillet of a bend in a cold-formed steel section shape.

y. Centroid Horizontal: the distance from the centroid of the section shape to the left extremities along the horizontal axis.

z. Centroid Vertical: the distance from the centroid of the section shape to the lower extremities along the vertical axis.

alpha. Principle Axes Angle: the rotational angle between the principle axes and cross section reference planes. This is listed as a Structural Analysis family parameter.

L Profile with Lips

B. Width: the external width of the section shape.

H. Height: the external height of the section shape.

h1. Lip Length: the distance between the exterior surface of the section shape and the end of the lip segment.

T. Wall Design Thickness: the perpendicular design thickness between the inner and outer surface of a section shape.

t. Wall Nominal Thickness: the average perpendicular distance between the inner and outer surface of the section shape.

r1. Inner Fillet: the radius of the inner corner fillet of a bend in a cold-formed steel section shape.

y. Centroid Horizontal: the distance from the centroid of the section shape to the left extremities along the horizontal axis.

z. Centroid Vertical: the distance from the centroid of the section shape to the lower extremities along the vertical axis.

alpha. Principle Axes Angle: the rotational angle between the principle axes and cross section reference planes. This is listed as a Structural Analysis family parameter.

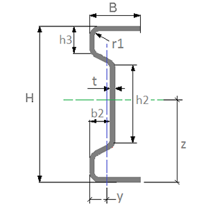
Sigma Profile

B. Width: the external width of the section shape.

H. Height: the external height of the section shape.

b2. Bend Width: the distance between the left extremities of the section shape to the exterior surface of the middle bend segment.

h2. Middle Bend Length: the length of the interior surface of the middle bend segment.

T. Wall Design Thickness: the perpendicular design thickness between the inner and outer surface of a section shape.

t. Wall Nominal Thickness: the average perpendicular distance between the inner and outer surface of the section shape.

r1. Inner Fillet: the radius of the inner corner fillet of a bend in a cold-formed steel section shape.

y. Centroid Horizontal: the distance from the centroid of the section shape to the left extremities along the horizontal axis.

z. Centroid Vertical: the distance from the centroid of the section shape to the lower extremities along the vertical axis.

alpha. Principle Axes Angle: the rotational angle between the principle axes and cross section reference planes. This is listed as a Structural Analysis family parameter.

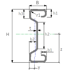
Sigma Profile with Fold

B. Width: the external width of the section shape.

H. Height: the external height of the section shape.

b1. Fold Length: the distance between the exterior surface of the lip segment and the end of the fold segment.

h1. Lip Length: the distance between the exterior surface of the section shape and the end of the lip segment.

b2. Bend Width: the distance between the left extremities of the section shape to the exterior surface of the middle bend segment.

h2. Middle Bend Length: the length of the interior surface of the middle bend segment.

h3. Top Bend Length: The distance between the exterior surface of the top of the section shape and the end of the top bend segment.

T. Wall Design Thickness: the perpendicular design thickness between the inner and outer surface of a section shape.

t. Wall Nominal Thickness: the average perpendicular distance between the inner and outer surface of the section shape.

r1. Inner Fillet: the radius of the inner corner fillet of a bend in a cold-formed steel section shape.

y. Centroid Horizontal: the distance from the centroid of the section shape to the left extremities along the horizontal axis.

z. Centroid Vertical: the distance from the centroid of the section shape to the lower extremities along the vertical axis.

alpha. Principle Axes Angle: the rotational angle between the principle axes and cross section reference planes. This is listed as a Structural Analysis family parameter.

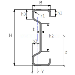
Sigma Profile with Lips

B. Width: the external width of the section shape.

H. Height: the external height of the section shape.

b2. Bend Width: the distance between the left extremities of the section shape to the exterior surface of the middle bend segment.

h1. Lip Length: the distance between the exterior surface of the section shape and the end of the lip segment.

h2. Middle Bend Length: the length of the interior surface of the middle bend segment.

h3. Top Bend Length: The distance between the exterior surface of the top of the section shape and the end of the top bend segment.

T. Wall Design Thickness: the perpendicular design thickness between the inner and outer surface of a section shape.

t. Wall Nominal Thickness: the average perpendicular distance between the inner and outer surface of the section shape.

r1. Inner Fillet: the radius of the inner corner fillet of a bend in a cold-formed steel section shape.

y. Centroid Horizontal: the distance from the centroid of the section shape to the left extremities along the horizontal axis.

z. Centroid Vertical: the distance from the centroid of the section shape to the lower extremities along the vertical axis.

alpha. Principle Axes Angle: the rotational angle between the principle axes and cross section reference planes. This is listed as a Structural Analysis family parameter.

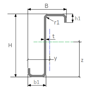
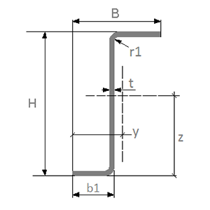
Z Profile

B. Width: the external width of the section shape.

H. Height: the external height of the section shape.

b1. Bottom Flange Length: the distance between the interior surface of the section shape and the end of the bottom flange segment.

T. Wall Design Thickness: the perpendicular design thickness between the inner and outer surface of a section shape.

t. Wall Nominal Thickness: the average perpendicular distance between the inner and outer surface of the section shape.

r1. Inner Fillet: the radius of the inner corner fillet of a bend in a cold-formed steel section shape.

y. Centroid Horizontal: the distance from the centroid of the section shape to the left extremities along the horizontal axis.

z. Centroid Vertical: the distance from the centroid of the section shape to the lower extremities along the vertical axis.

alpha. Principle Axes Angle: the rotational angle between the principle axes and cross section reference planes. This is listed as a Structural Analysis family parameter.

Z Profile with Lips

B. Width: the external width of the section shape.

H. Height: the external height of the section shape.

b1. Bottom Flange Length: the distance between the interior surface of the section shape and the end of the bottom flange segment.

h1. Lip Length: the distance between the exterior surface of the section shape and the end of the lip segment.

T. Wall Design Thickness: the perpendicular design thickness between the inner and outer surface of a section shape.

t. Wall Nominal Thickness: the average perpendicular distance between the inner and outer surface of the section shape.

r1. Inner Fillet: the radius of the inner corner fillet of a bend in a cold-formed steel section shape.

y. Centroid Horizontal: the distance from the centroid of the section shape to the left extremities along the horizontal axis.

z. Centroid Vertical: the distance from the centroid of the section shape to the lower extremities along the vertical axis.

alpha. Principle Axes Angle: the rotational angle between the principle axes and cross section reference planes. This is listed as a Structural Analysis family parameter.