Hydronic Pipe Sizing Examples

The following images show the results of the various hydronic pipe sizing methods.

Friction Only

Before Sizing

After Sizing

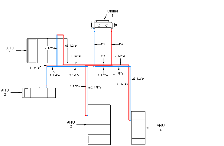
Velocity Only

Before Sizing

After Sizing

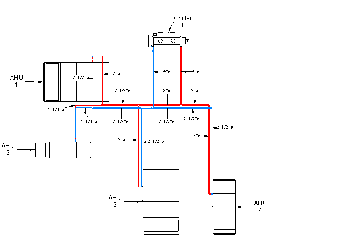
Friction and Velocity

Before Sizing

After Sizing

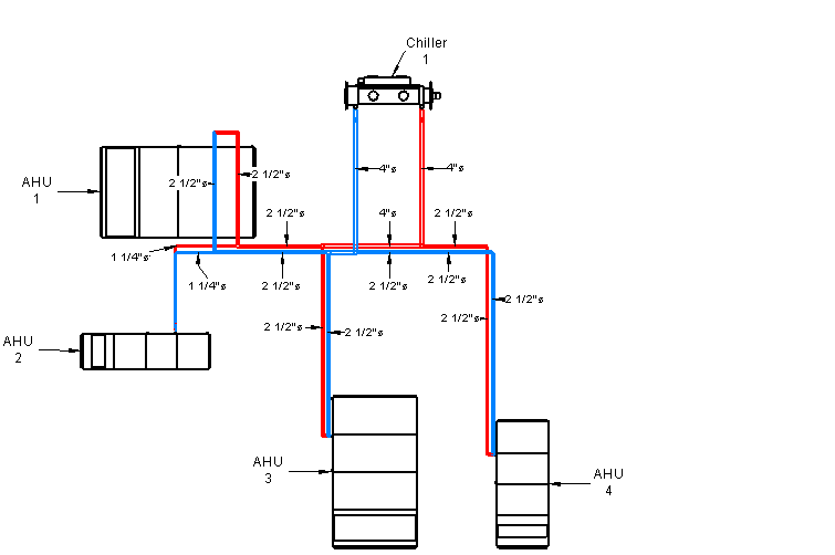
Larger of Connector or Calculation

Before Sizing

After Sizing

Match Connector to Pipe Size

Before Sizing

After Sizing