Join spliced or adjacent rebar instances with a coupler.
Video: Placing Rebar Couplers
Reinforcement panel
(Rebar Coupler)
Placement Options panel
(Place on Bar End)
Placement Options panel
(Place between Two Bars)

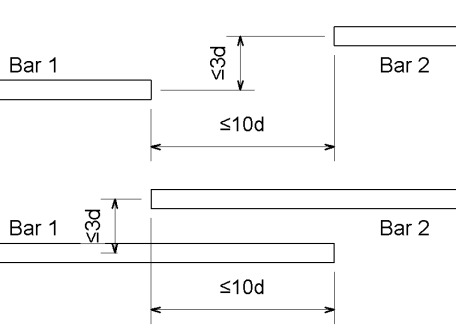
Coupler placement tolerance