Steel (Other) Section Shape Dimensions

Review and modify the values of section shape dimension parameters of other steel structural framing elements.

These type properties are created from the Section Shape family category parameter of the element.

Section shape Available shape dimension parameters
Rectangular Bar

B. Width: the external width of the section shape.

H. Height: the external height of the section shape.

y. Centroid Horizontal: the distance from the centroid of the section shape to the left extremities along the horizontal axis.

z. Centroid Vertical: the distance from the centroid of the section shape to the lower extremities along the vertical axis.

alpha. Principle Axes Angle: the rotational angle between the principle axes and cross section reference planes. This is listed as a Structural Analysis family parameter.

Round Bar

D. Diameter: the external diameter of the round section shape.

y. Centroid Horizontal: the distance from the centroid of the section shape to the left extremities along the horizontal axis.

z. Centroid Vertical: the distance from the centroid of the section shape to the lower extremities along the vertical axis.

alpha. Principle Axes Angle: the rotational angle between the principle axes and cross section reference planes. This is listed as a Structural Analysis family parameter.

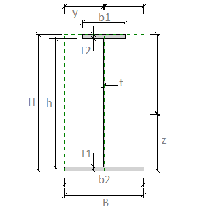
I-shape Welded (castellated and welded steel)

B. Width: the external width of the section shape.

H. Height: the external height of the section shape.

T2. Top Flange Thickness: the distance between the exterior surfaces of the top flange in the section shape of a castellated or welded element.

b1. Top Flange Width: the external width of the top flange in the section shape of a castellated or welded element.

T1. Bottom Flange Thickness: the distance between the exterior surfaces of the bottom flange in the section shape of a castellated or welded element.

b2. Bottom Flange Width: the external width of the bottom flange in the section shape of a castellated or welded element.

t. Web Thickness: the distance between the exterior surfaces of the web in the section shape.

h. Web Height: the distance along the web between the flanges in the section shape.

y. Centroid Horizontal: the distance from the centroid of the section shape to the left extremities along the horizontal axis.

z. Centroid Vertical: the distance from the centroid of the section shape to the lower extremities along the vertical axis.

alpha. Principle Axes Angle: the rotational angle between the principle axes and cross section reference planes. This is listed as a Structural Analysis family parameter.