Revise los controles básicos de AutoCAD.
Tras iniciar AutoCAD, haga clic en Iniciar dibujo para iniciar un nuevo dibujo.

AutoCAD incluye una cinta de opciones estándar con fichas en la parte superior del área de dibujo. Puede acceder a casi todos los comandos que se presentan en esta guía desde la ficha Inicio. Además, la barra de herramientas de acceso rápido que se muestra a continuación incluye los comandos habituales, como, por ejemplo, Nuevo, Abrir, Guardar, Imprimir, Deshacer, etc.

El núcleo de AutoCAD es la ventana de comandos, que se ubica normalmente en la parte inferior de la ventana de la aplicación. La ventana de comandos muestra solicitudes, opciones y mensajes.

Puede introducir comandos directamente en la ventana de comandos en lugar de utilizar la cinta de opciones, las barras de herramientas y los menús. Muchos usuarios experimentados de AutoCAD prefieren este método.
Observe que cuando comienza a escribir un comando, este se completa automáticamente. Cuando hay varias posibilidades disponibles, como en el ejemplo siguiente, puede seleccionar una opción haciendo clic en ella o utilizando las teclas de flecha y pulsando a continuación Intro o la barra espaciadora.

La mayoría de usuarios utilizan un ratón como dispositivo señalador, pero otros dispositivos tienen controles equivalentes.

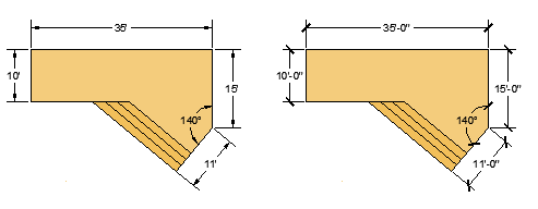
Puede adaptarse fácilmente a las normas de la empresa o del sector especificando parámetros para el texto, los tipos de línea y otras muchas características. Por ejemplo, en este diseño de cubierta de patio se muestran dos estilos de cota diferentes.

Todos estos parámetros se pueden guardar en una plantilla de dibujo. Haga clic en Nuevo para elegir entre varios archivos de plantilla de dibujo:


Los archivos de plantilla de aprendizaje de la lista son sencillos ejemplos de las disciplinas de diseño mecánico o arquitectónico con versiones imperiales (i) y métricas (m). Puede experimentar con ellos.
La mayoría de las empresas utilizan archivos de plantilla de dibujo que se ajustan a sus normas. A menudo utilizarán diferentes archivos de plantilla de dibujo en función del proyecto o el cliente.
Puede guardar cualquier dibujo (.dwg) como un archivo de plantilla de dibujo (.dwt). También puede abrir los archivos de plantilla de dibujo, modificarlos y, a continuación, volver a guardarlos con un nombre de archivo diferente si es necesario.

Si trabaja de forma independiente, puede crear los archivos de plantilla de dibujo que se ajusten a sus preferencias de trabajo y añadir los parámetros de otras características a medida que vaya familiarizándose con ellas.
Para modificar un archivo de plantilla de dibujo existente, haga clic en Abrir, especifique Plantilla de dibujo (*.dwt) en el cuadro de diálogo Seleccionar archivo y elija el archivo de plantilla.

La primera vez que inicie un dibujo, debe decidir lo que representa la longitud de una unidad (una pulgada, un pie, un centímetro, un kilómetro u otra unidad de longitud). Por ejemplo, los objetos siguientes podrían representar dos edificios con una longitud de 125 pies o una sección de una pieza mecánica medida en milímetros.

Tras decidir qué unidad de longitud desea usar, el comando UNIDADES permite controlar varios parámetros de visualización de unidades, incluidos los siguientes:
Si va a trabajar en pies y pulgadas, utilice el comando UNIDADES para establecer el tipo de unidad en Pies y pulgadas II y, a continuación, al crear objetos, especifique la longitud en pulgadas. Si tiene previsto usar unidades métricas, deje el tipo de unidad establecido en Decimales. El cambio del formato y la precisión de las unidades no afecta a la precisión interna del dibujo. Solo afecta al modo en que se muestran las longitudes, los ángulos y las coordenadas en la interfaz de usuario.
Cree siempre los modelos a tamaño completo (escala 1:1). El término modelo hace referencia a la geometría del diseño. Un dibujo incluye la geometría del modelo, junto con las vistas, las notas, las cotas, las llamadas, las tablas y el cuadro de rotulación mostrados en la presentación.
Se puede precisar posteriormente la escala necesaria para imprimir un dibujo en una hoja de tamaño estándar al crear la presentación.

Pulse Esc para cancelar esta operación de preselección.