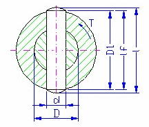
Valores recomendados:
d = (0,2 -0,3) D
D 1 = (1,5 - 2) D - para acero y acero fundido
D 1 = 2,5 D - para hierro fundido gris
Longitud activa del pasador
La longitud activa del pasador l f disminuye con los chalanes y los empalmes. y suele soportar la carga.
Fórmulas en unidades métricas
Tensión de plegado
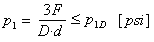
Presión en la varilla
Presión en la horquilla
Tensión de corte
donde:
|
F |
fuerza [N] |
|
|
σ 0 |
tensión de plegado [MPa] |
|
|
σ 0D |
tensión de plegado admitida [MPa] |
|
|
M 0 |
momento de plegado [N mm] |
|
|
W 0 |
módulo de la sección de plegado [mm 3 ] |
|
| τ |
tensión de corte [MPa] |
|
|
τ D |
tensión de corte admitida [MPa] |
|
|
d |
diámetro del pasador [mm] |
|
|
p 1 |
presión en la varilla [MPa] |
|
|
p 2 |
presión en la horquilla [MPa] |
|
|
p 1D |
presión admitida en la varilla [MPa] |
|
|
p 2D |
presión admitida en la horquilla [MPa] |
|
|
b |
anchura de la varilla [mm] |
|
|
a |
anchura del brazo de la horquilla [mm] |
|
|
D |
diámetro del eje [mm] |
Fórmulas en unidades imperiales
Tensión de plegado
Presión en la varilla
Presión en la horquilla
Tensión de corte
donde:
|
F |
fuerza [libras] |
|
|
σ 0 |
tensión de plegado [lpc] |
|
|
σ 0D |
tensión de plegado admitida [lpc] |
|
|
M 0 |
momento de plegado [pulgadas pies] |
|
|
W 0 |
módulo de la sección de plegado [pulg 3 ] |
|
| τ |
tensión de corte [lpc] |
|
|
τ D |
tensión de corte admitida [lpc] |
|
|
d |
diámetro del pasador [pulg] |
|
|
p 1 |
presión en la varilla [lpc] |
|
|
p 2 |
presión en la horquilla [lpc] |
|
|
p 1D |
presión admitida en la varilla [lpc] |
|
|
p 2D |
presión admitida en la horquilla [lpc] |
|
|
b |
anchura de la varilla [pulg] |
|
|
a |
anchura del brazo de la horquilla [pulg] |
|
|
D |
diámetro del eje [pulg] |