Longitud activa del pasador
La longitud activa del pasador l f disminuye con los chalanes y los empalmes. y suele soportar la carga.
Fórmulas
Comprobación de tensión de corte
Comprobación de presión de contacto
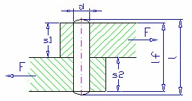
Interpretación de los símbolos en unidades métricas:
| τ |
tensión de corte [MPa] |
|
τ A |
tensión de corte admitida [MPa] |
|
d |
diámetro del pasador [mm] |
|
p 1 |
presión en el tablero superior [MPa] |
|
p 2 |
presión en el tablero inferior [MPa] |
|
p 1A |
presión admitida en el tablero superior [MPa] |
|
p 2A |
presión admitida en el tablero inferior [MPa] |
|
s 1 |
grosor del tablero superior [mm] |
|
s 2 |
grosor del tablero inferior [mm] |
Interpretación de los símbolos en unidades imperiales:
| τ |
tensión de corte [lpc] |
|
τ A |
tensión de corte admitida [lpc] |
|
d |
diámetro del pasador [pulg] |
|
p 1 |
presión en el tablero superior [lpc] |
|
p 2 |
presión en el tablero inferior [lpc] |
|
p 1A |
presión admitida en el tablero superior [lpc] |
|
p 2A |
presión admitida en el tablero inferior [lpc] |
|
s 1 |
grosor del tablero superior [pulg] |
|
s 2 |
grosor del tablero inferior [pulg] |