Cotas de formas de sección de acero conformado en frío

Revise y modifique los valores de los parámetros de cota de forma de sección de elementos de armazón estructural de acero conformado en frío.

Estas propiedades de tipo se crean a partir del parámetro de categoría de familia Forma de sección que corresponde al elemento.

Forma de sección Parámetros de cota de forma disponibles
HSS rectangular (acero conformado en frío)

B. Anchura: la anchura externa de la forma de sección.

H. Altura: la altura externa de la forma de sección.

T. Grosor de diseño de muro: el grosor de diseño perpendicular entre la superficie interna y externa de una forma de sección.

t. Grosor nominal de muro: la distancia perpendicular media entre la superficie interna y externa de la forma de sección.

r1. Empalme interior: el radio del empalme de la esquina interior de una forma de sección estructural hueca rectangular.

r2. Empalme exterior: el radio del empalme de la esquina exterior de una forma de sección estructural hueca rectangular.

y. Centroide horizontal: la distancia desde el centroide de la forma de sección hasta las extremidades izquierdas del eje horizontal.

z. Centroide vertical: la distancia desde el centroide de la forma de sección hasta las extremidades inferiores del eje vertical.

alfa. Ángulo de ejes principales: el ángulo de rotación entre los planos de referencia de los ejes principales y la sección transversal. Se muestra como un parámetro de la familia Análisis estructural.

HSS redondo (acero conformado en frío)

D. Diámetro: el diámetro externo de la forma de sección redonda.

T. Grosor de diseño de muro: el grosor de diseño perpendicular entre la superficie interna y externa de una forma de sección.

t. Grosor nominal de muro: la distancia perpendicular media entre la superficie interna y externa de la forma de sección.

y. Centroide horizontal: la distancia desde el centroide de la forma de sección hasta las extremidades izquierdas del eje horizontal.

z. Centroide vertical: la distancia desde el centroide de la forma de sección hasta las extremidades inferiores del eje vertical.

alfa. Ángulo de ejes principales: el ángulo de rotación entre los planos de referencia de los ejes principales y la sección transversal. Se muestra como un parámetro de la familia Análisis estructural.

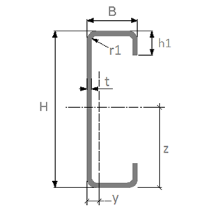
Perfil en C

B. Anchura: la anchura externa de la forma de sección.

H. Altura: la altura externa de la forma de sección.

T. Grosor de diseño de muro: el grosor de diseño perpendicular entre la superficie interna y externa de una forma de sección.

t. Grosor nominal de muro: la distancia perpendicular media entre la superficie interna y externa de la forma de sección.

r1. Empalme interior: el radio del empalme de la esquina interior de una curvatura en una forma de sección de acero conformado en frío.

r2. Empalme exterior: el radio del empalme de la esquina exterior de una curvatura en una forma de sección de acero conformado en frío.

y. Centroide horizontal: la distancia desde el centroide de la forma de sección hasta las extremidades izquierdas del eje horizontal.

z. Centroide vertical: la distancia desde el centroide de la forma de sección hasta las extremidades inferiores del eje vertical.

alfa. Ángulo de ejes principales: el ángulo de rotación entre los planos de referencia de los ejes principales y la sección transversal. Se muestra como un parámetro de la familia Análisis estructural.

Perfil en C con pliegue

B. Anchura: la anchura externa de la forma de sección.

H. Altura: la altura externa de la forma de sección.

h1. Longitud de bordes: la distancia entre la superficie exterior de la forma de sección y el extremo del segmento de borde.

b1. Longitud de pliegue: la distancia entre la superficie exterior del segmento de borde y el extremo del segmento de pliegue.

T. Grosor de diseño de muro: el grosor de diseño perpendicular entre la superficie interna y externa de una forma de sección.

t. Grosor nominal de muro: la distancia perpendicular media entre la superficie interna y externa de la forma de sección.

r1. Empalme interior: el radio del empalme de la esquina interior de una curvatura en una forma de sección de acero conformado en frío.

r2. Empalme exterior: el radio del empalme de la esquina exterior de una curvatura en una forma de sección de acero conformado en frío.

y. Centroide horizontal: la distancia desde el centroide de la forma de sección hasta las extremidades izquierdas del eje horizontal.

z. Centroide vertical: la distancia desde el centroide de la forma de sección hasta las extremidades inferiores del eje vertical.

alfa. Ángulo de ejes principales: el ángulo de rotación entre los planos de referencia de los ejes principales y la sección transversal. Se muestra como un parámetro de la familia Análisis estructural.

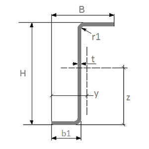
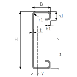
Perfil en C con bordes

B. Anchura: la anchura externa de la forma de sección.

H. Altura: la altura externa de la forma de sección.

h1. Longitud de bordes: la distancia entre la superficie exterior de la forma de sección y el extremo del segmento de borde.

T. Grosor de diseño de muro: el grosor de diseño perpendicular entre la superficie interna y externa de una forma de sección.

t. Grosor nominal de muro: la distancia perpendicular media entre la superficie interna y externa de la forma de sección.

r1. Empalme interior: el radio del empalme de la esquina interior de una curvatura en una forma de sección de acero conformado en frío.

r2. Empalme exterior: el radio del empalme de la esquina exterior de una curvatura en una forma de sección de acero conformado en frío.

y. Centroide horizontal: la distancia desde el centroide de la forma de sección hasta las extremidades izquierdas del eje horizontal.

z. Centroide vertical: la distancia desde el centroide de la forma de sección hasta las extremidades inferiores del eje vertical.

alfa. Ángulo de ejes principales: el ángulo de rotación entre los planos de referencia de los ejes principales y la sección transversal. Se muestra como un parámetro de la familia Análisis estructural.

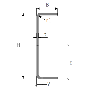
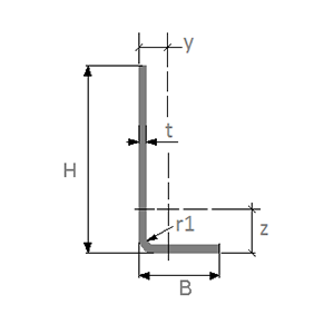
Perfil en L

B. Anchura: la anchura externa de la forma de sección.

H. Altura: la altura externa de la forma de sección.

T. Grosor de diseño de muro: el grosor de diseño perpendicular entre la superficie interna y externa de una forma de sección.

t. Grosor nominal de muro: la distancia perpendicular media entre la superficie interna y externa de la forma de sección.

r1. Empalme interior: el radio del empalme de la esquina interior de una curvatura en una forma de sección de acero conformado en frío.

r2. Empalme exterior: el radio del empalme de la esquina exterior de una curvatura en una forma de sección de acero conformado en frío.

y. Centroide horizontal: la distancia desde el centroide de la forma de sección hasta las extremidades izquierdas del eje horizontal.

z. Centroide vertical: la distancia desde el centroide de la forma de sección hasta las extremidades inferiores del eje vertical.

alfa. Ángulo de ejes principales: el ángulo de rotación entre los planos de referencia de los ejes principales y la sección transversal. Se muestra como un parámetro de la familia Análisis estructural.

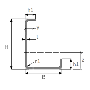
Perfil en L con bordes

B. Anchura: la anchura externa de la forma de sección.

H. Altura: la altura externa de la forma de sección.

h1. Longitud de bordes: la distancia entre la superficie exterior de la forma de sección y el extremo del segmento de borde.

T. Grosor de diseño de muro: el grosor de diseño perpendicular entre la superficie interna y externa de una forma de sección.

t. Grosor nominal de muro: la distancia perpendicular media entre la superficie interna y externa de la forma de sección.

r1. Empalme interior: el radio del empalme de la esquina interior de una curvatura en una forma de sección de acero conformado en frío.

r2. Empalme exterior: el radio del empalme de la esquina exterior de una curvatura en una forma de sección de acero conformado en frío.

y. Centroide horizontal: la distancia desde el centroide de la forma de sección hasta las extremidades izquierdas del eje horizontal.

z. Centroide vertical: la distancia desde el centroide de la forma de sección hasta las extremidades inferiores del eje vertical.

alfa. Ángulo de ejes principales: el ángulo de rotación entre los planos de referencia de los ejes principales y la sección transversal. Se muestra como un parámetro de la familia Análisis estructural.

Perfil en sigma

B. Anchura: la anchura externa de la forma de sección.

H. Altura: la altura externa de la forma de sección.

b2. Anchura de curvatura: la distancia entre las extremidades izquierdas de la forma de sección y la superficie exterior del segmento de curvatura intermedia.

h2. Longitud de curvatura intermedia: la longitud de la superficie interior del segmento de curvatura intermedia.

T. Grosor de diseño de muro: el grosor de diseño perpendicular entre la superficie interna y externa de una forma de sección.

t. Grosor nominal de muro: la distancia perpendicular media entre la superficie interna y externa de la forma de sección.

r1. Empalme interior: el radio del empalme de la esquina interior de una curvatura en una forma de sección de acero conformado en frío.

r2. Empalme exterior: el radio del empalme de la esquina exterior de una curvatura en una forma de sección de acero conformado en frío.

y. Centroide horizontal: la distancia desde el centroide de la forma de sección hasta las extremidades izquierdas del eje horizontal.

z. Centroide vertical: la distancia desde el centroide de la forma de sección hasta las extremidades inferiores del eje vertical.

alfa. Ángulo de ejes principales: el ángulo de rotación entre los planos de referencia de los ejes principales y la sección transversal. Se muestra como un parámetro de la familia Análisis estructural.

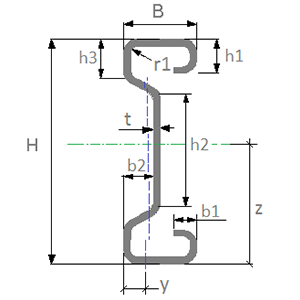
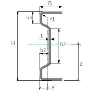
Perfil en sigma con pliegue

B. Anchura: la anchura externa de la forma de sección.

H. Altura: la altura externa de la forma de sección.

b1. Longitud de pliegue: la distancia entre la superficie exterior del segmento de borde y el extremo del segmento de pliegue.

h1. Longitud de bordes: la distancia entre la superficie exterior de la forma de sección y el extremo del segmento de borde.

b2. Anchura de curvatura: la distancia entre las extremidades izquierdas de la forma de sección y la superficie exterior del segmento de curvatura intermedia.

h2. Longitud de curvatura intermedia: la longitud de la superficie interior del segmento de curvatura intermedia.

h3. Longitud de curvatura de parte superior: la distancia entre la superficie exterior de la parte superior de la forma de sección y el extremo de la parte superior del segmento de curvatura.

T. Grosor de diseño de muro: el grosor de diseño perpendicular entre la superficie interna y externa de una forma de sección.

t. Grosor nominal de muro: la distancia perpendicular media entre la superficie interna y externa de la forma de sección.

r1. Empalme interior: el radio del empalme de la esquina interior de una curvatura en una forma de sección de acero conformado en frío.

r2. Empalme exterior: el radio del empalme de la esquina exterior de una curvatura en una forma de sección de acero conformado en frío.

y. Centroide horizontal: la distancia desde el centroide de la forma de sección hasta las extremidades izquierdas del eje horizontal.

z. Centroide vertical: la distancia desde el centroide de la forma de sección hasta las extremidades inferiores del eje vertical.

alfa. Ángulo de ejes principales: el ángulo de rotación entre los planos de referencia de los ejes principales y la sección transversal. Se muestra como un parámetro de la familia Análisis estructural.

Perfil en sigma con bordes

B. Anchura: la anchura externa de la forma de sección.

H. Altura: la altura externa de la forma de sección.

b2. Anchura de curvatura: la distancia entre las extremidades izquierdas de la forma de sección y la superficie exterior del segmento de curvatura intermedia.

h1. Longitud de bordes: la distancia entre la superficie exterior de la forma de sección y el extremo del segmento de borde.

h2. Longitud de curvatura intermedia: la longitud de la superficie interior del segmento de curvatura intermedia.

h3. Longitud de curvatura de parte superior: la distancia entre la superficie exterior de la parte superior de la forma de sección y el extremo de la parte superior del segmento de curvatura.

T. Grosor de diseño de muro: el grosor de diseño perpendicular entre la superficie interna y externa de una forma de sección.

t. Grosor nominal de muro: la distancia perpendicular media entre la superficie interna y externa de la forma de sección.

r1. Empalme interior: el radio del empalme de la esquina interior de una curvatura en una forma de sección de acero conformado en frío.

r2. Empalme exterior: el radio del empalme de la esquina exterior de una curvatura en una forma de sección de acero conformado en frío.

y. Centroide horizontal: la distancia desde el centroide de la forma de sección hasta las extremidades izquierdas del eje horizontal.

z. Centroide vertical: la distancia desde el centroide de la forma de sección hasta las extremidades inferiores del eje vertical.

alfa. Ángulo de ejes principales: el ángulo de rotación entre los planos de referencia de los ejes principales y la sección transversal. Se muestra como un parámetro de la familia Análisis estructural.

Perfil en Z

B. Anchura: la anchura externa de la forma de sección.

H. Altura: la altura externa de la forma de sección.

b1. Longitud de ala de parte inferior: la distancia entre la superficie interior de la forma de sección y el extremo del segmento de ala inferior.

T. Grosor de diseño de muro: el grosor de diseño perpendicular entre la superficie interna y externa de una forma de sección.

t. Grosor nominal de muro: la distancia perpendicular media entre la superficie interna y externa de la forma de sección.

r1. Empalme interior: el radio del empalme de la esquina interior de una curvatura en una forma de sección de acero conformado en frío.

r2. Empalme exterior: el radio del empalme de la esquina exterior de una curvatura en una forma de sección de acero conformado en frío.

y. Centroide horizontal: la distancia desde el centroide de la forma de sección hasta las extremidades izquierdas del eje horizontal.

z. Centroide vertical: la distancia desde el centroide de la forma de sección hasta las extremidades inferiores del eje vertical.

alfa. Ángulo de ejes principales: el ángulo de rotación entre los planos de referencia de los ejes principales y la sección transversal. Se muestra como un parámetro de la familia Análisis estructural.

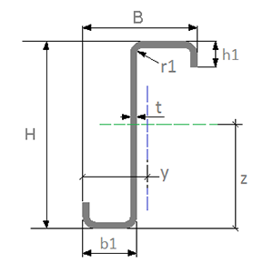
Perfil en Z con bordes

B. Anchura: la anchura externa de la forma de sección.

H. Altura: la altura externa de la forma de sección.

b1. Longitud de ala de parte inferior: la distancia entre la superficie interior de la forma de sección y el extremo del segmento de ala inferior.

h1. Longitud de bordes: la distancia entre la superficie exterior de la forma de sección y el extremo del segmento de borde.

T. Grosor de diseño de muro: el grosor de diseño perpendicular entre la superficie interna y externa de una forma de sección.

t. Grosor nominal de muro: la distancia perpendicular media entre la superficie interna y externa de la forma de sección.

r1. Empalme interior: el radio del empalme de la esquina interior de una curvatura en una forma de sección de acero conformado en frío.

r2. Empalme exterior: el radio del empalme de la esquina exterior de una curvatura en una forma de sección de acero conformado en frío.

y. Centroide horizontal: la distancia desde el centroide de la forma de sección hasta las extremidades izquierdas del eje horizontal.

z. Centroide vertical: la distancia desde el centroide de la forma de sección hasta las extremidades inferiores del eje vertical.

alfa. Ángulo de ejes principales: el ángulo de rotación entre los planos de referencia de los ejes principales y la sección transversal. Se muestra como un parámetro de la familia Análisis estructural.