Pour utiliser des connecteurs générés de façon paramétrique

Insertion de connecteurs

  1. Cliquez sur l'onglet Schémale groupe de fonctions Insérer des composantsla liste déroulante Insérer le connecteurInsérer le connecteur. Trouver
  2. Dans la boîte de dialogue Insérer le connecteur, spécifiez l'espacement des broches et le nombre de broches.

    (Facultatif) Pour le nombre de broches, cliquez sur Choisir et tracez un trajet montrant la longueur du connecteur approprié.

  3. Spécifiez si vous voulez créer le connecteur en utilisant l'espacement des broches ou si vous voulez le compresser ou le développer pour qu'il corresponde aux broches avec l'intersection des fils sous-jacents.
  4. Spécifiez si vous voulez insérer le connecteur entier en une fois ou si vous voulez l'insérer manuellement, broche par broche, avec une option permettant d'insérer les espacements ou de couper le connecteur en 2 parties ou plus.
  5. Cliquez sur les boutons Rotation ou Inverser pour modifier l'affichage du symbole du connecteur.

    L'image d'aperçu se met à jour pour prendre en compte les changements apportés aux options d'affichage du connecteur.

  6. (Facultatif) Cliquez sur Détails pour afficher plus d'options permettant de définir les paramètres de taille et de forme et pour afficher les symboles du connecteur générés de façon paramétrique.
  7. Cliquez sur Insérer.

    Un aperçu du connecteur s'affiche pour montrer sa position dans le dessin. Il affiche les angles arrondis du côté de la prise du connecteur. Un "x" indique le point d'insertion du connecteur et une flèche indique la direction de la connexion du fil du côté de la prise.

  8. Spécifiez le point d'insertion dans le dessin ou entrez Z (zoom), P (pan), X, V ou Tab à l'invite de commande pour modifier l'orientation du connecteur avant l'insertion.

    Si vous avez choisi d'autoriser les espacements et coupures, dans la boîte de dialogue Espaces/Coupures de broches personnalisés, cliquez sur Couper le symbole maintenant afin de rompre le connecteur et d'ouvrir la boîte de dialogue Présentation du connecteur, dans laquelle vous pourrez définir le mode d'insertion des broches restantes dans le dessin.

Rotation de connecteurs

  1. Cliquez sur l'onglet Schémale groupe de fonctions Modifier les composantsla liste déroulante Modifier les connecteursFaire pivoter le connecteur. Trouver
  2. Indiquez si vous souhaitez maintenir l'orientation courante des attributs.

    Si vous sélectionnez Oui (par défaut), l'orientation du texte des attributs ne change pas lors de la rotation du connecteur.

  3. Sélectionnez le connecteur à faire pivoter.

    Le connecteur pivote automatiquement de 90 degrés.

  4. Continuez à cliquer sur le connecteur jusqu'à atteindre la position voulue.
  5. Appuyez sur Entrée ou sur Echap pour mettre fin à la commande.

Exemple : maintien de l'orientation des attributs = oui

Original

Première rotation

Deuxième rotation

Troisième rotation

Exemple : maintien de l'orientation des attributs = non

Original

Première rotation

Deuxième rotation

Troisième rotation

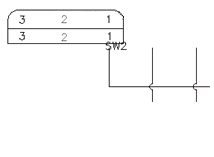
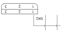
Inversion de connecteurs

  1. Cliquez sur l'onglet Schémale groupe de fonctions Modifier les composantsla liste déroulante Modifier les connecteursInverser le connecteur. Trouver
  2. Sélectionnez le connecteur à inverser.

    Le connecteur s'inverse automatiquement compte tenu de son orientation originale.

    Remarque : Pour un connecteur à prise de courant simple sans coins arrondis, l'aspect du graphique ne change pas, mais les attributs de connexion de fils se retrouvent de l'autre côté du connecteur.
  3. Appuyez sur Entrée ou sur Echap pour mettre fin à la commande.

Etirement de connecteurs

  1. Cliquez sur l'onglet Schémale groupe de fonctions Modifier les composantsla liste déroulante Modifier les connecteursEtirer le connecteur. Trouver
  2. Spécifiez l'extrémité du connecteur à étirer.
  3. Spécifiez l'endroit où vous voulez que le connecteur se termine (second point de déplacement). Faites glisser votre souris jusqu'à l'endroit approprié ou entrez les coordonnées du point.
    Remarque : Appuyez sur la touche de tabulation pendant l'étirement pour modifier la visibilité des attributs du connecteur. Reportez-vous aux astuces et conseils ci-dessous pour plus d'informations.
  4. Appuyez sur Entrée ou sur Echap pour mettre fin à la commande.

Astuces et conseils

  • L'outil Etirer le connecteur ne prend pas en charge la sélection dans la fenêtre.
  • Activez l'accrochage.
  • L'étirement commence à la fin du connecteur. Il n'existe pas de premier point de déplacement.
  • Si l'extrémité du connecteur étiré passe par le haut de l'attribut ID-repère du connecteur (nom d'attribut REPERE1 ou REPERE2), alors cet attribut ainsi que les attributs INST, LOC, DESC1, DESC2 et DESC3 se repositionnent avec l'étirement. Le fait d'appuyer sur la touche TAB pendant l'étirement a pour effet de modifier la visibilité de ces attributs. S'ils sont activés, les attributs s'affichent sous forme de graphiques temporaires qui se déplacent avec le curseur d'étirement. S'ils sont désactivés, les graphiques temporaires ne sont pas visibles.
  • Evitez d'étirer l'extrémité d'un connecteur tout du long jusqu'à l'autre extrémité du connecteur.

Division de connecteurs

  1. Cliquez sur l'onglet Schémale groupe de fonctions Modifier les composantsla liste déroulante Modifier les connecteursDiviser le connecteur. Trouver
  2. Sélectionnez le bloc de connecteur à diviser.
  3. Spécifiez le point de division (sélectionnez un point entre 2 jeux de broches).
  4. (Facultatif) Définissez le point d'origine du nouveau bloc. Le point par défaut se situe en ligne avec le premier jeu de broches sur la partie séparée. Si vous ne voulez pas utiliser le réglage par défaut, entrez des coordonnées ou cliquez sur Choisir un point et sélectionnez le point d'origine dans votre dessin.
  5. (Facultatif) Définissez le type de coupure : Aucune ligne, lignes droites, lignes dentelées ou Dessiner. L'option par défaut est Lignes dentelées.
  6. (Facultatif) Assurez-vous que la case de repositionnement du bloc fils est sélectionnée si vous souhaitez le déplacer en tant que partie de cette commande.
  7. Cliquez sur OK.
  8. Pour repositionner le bloc fils, sélectionnez un point à l'écran où placer le bloc.
  9. Appuyez sur Entrée ou sur Echap pour mettre fin à la commande.

Ajout de broches à un connecteur

  1. Cliquez sur l'onglet Schémale groupe de fonctions Modifier les composantsla liste déroulante Modifier les connecteursAjouter des broches de connecteurs. Trouver
  2. Sélectionnez le connecteur.
  3. Spécifiez l'emplacement où insérer le prochain numéro de broche disponible (visible sur la ligne de commande) ou appuyez sur les touches R+espacement pour définir manuellement le nouveau numéro de broche de départ.

    Le prochain numéro de broche disponible est fonction des broches existantes et d'une liste des broches facultative associée au connecteur sélectionné. Les valeurs BROCHES définies dans le symbole père sont demandées dans la base de données du projet pour déterminer le prochain numéro de broche disponible sur le composant du connecteur. Une vérification est effectuée dans le projet entier pour trouver les numéros de broches utilisés sur les symboles de connecteur père et fils. Si aucune valeur BROCHES n'est définie, le prochain numéro de broche séquentiel disponible (en fonction des broches existantes) est utilisé. Les affectations de broches peuvent être des numéros, des lettres ou les deux.

  4. Appuyez sur Entrée ou sur Echap pour mettre fin à la commande.

Astuces et conseils

  • Activez l'accrochage.
  • Les broches peuvent être ajoutées à l'intérieur de la coque ou au-delà des extrémités de la coque du connecteur.
  • Les broches sont insérées le long de l'axe central du connecteur, même si votre point de sélection est éloigné d'un des côtés du connecteur.
  • Les connecteurs peuvent être ultérieurement étirés pour organiser l'ajout de nouvelles broches au-delà des extrémités du connecteur.
  • Les broches peuvent être ajoutées entre les broches d'origine ; elles peuvent ensuite être déplacées ou déplacées rapidement pour organiser l'espacement.
  • Les broches peuvent être alignées sur une broche d'un autre connecteur. Lorsque vous avez sélectionné l'outil Ajouter des broches de connecteur, sélectionnez le connecteur auquel ajouter la broche, appuyez sur Maj tout en cliquant avec le bouton droit de la souris pour afficher les options d'accrochage aux objets, sélectionnez l'option d'insertion et cliquez sur la broche sur laquelle vous voulez aligner la nouvelle broche. La nouvelle broche est insérée sur le composant sélectionné et est alignée sur la broche de l'autre connecteur.

Suppression des broches de connecteurs

  1. Cliquez sur l'onglet Schémale groupe de fonctions Modifier les composantsla liste déroulante Modifier les connecteursSupprimer des broches de connecteurs. Trouver
  2. Sélectionnez les broches à supprimer des connecteurs.

    L'attribut de numéro de broche sur le bloc de connecteur disparaît. Cet attribut ainsi que les attributs de description et de connexion de fil associés ne sont pas immédiatement supprimés du connecteur. Ils sont renommés de façon à être ignorés. Si le connecteur est ensuite étiré ou divisé, ces attributs de broche supprimés seront alors purgés de l'instance du bloc de connecteur.

  3. Appuyez sur Entrée ou sur Echap pour mettre fin à la commande.
Remarque : Lorsque vous supprimez une broche qui possède un fil connecté, le fil n'est pas supprimé. Dans ce cas, le fil n'est plus connecté au connecteur. Il apparaît comme un fil non connecté à l'extrémité du connecteur.

Permutation des numéros de broches

  1. Cliquez sur l'onglet Schémale groupe de fonctions Modifier les composantsla liste déroulante Modifier les connecteursPermuter des broches de connecteur. Trouver
  2. Sélectionnez la broche de connecteur à permuter.

    Des graphiques temporaires sont dessinés autour du numéro de broche sélectionné pour indiquer qu'il a été intégré à la liste de permutation.

  3. Sélectionnez la broche à permuter avec la broche sélectionnée.

    Les broches du connecteur sont permutées entre les deux sélections.

  4. Sélectionnez un autre jeu de broches à permuter ou appuyez sur Entrée ou sur Echap pour mettre fin à la commande.

Déplacement des broches

  1. Cliquez sur l'onglet Schémale groupe de fonctions Modifier les composantsla liste déroulante Modifier les connecteursDéplacer des broches de connecteur. Trouver
  2. Sélectionnez la broche de connecteur à déplacer.
  3. Spécifiez le nouvel emplacement de la broche.

    Les broches se replacent le long de l'axe central du connecteur, même si votre point de sélection est éloigné d'un des côtés du connecteur. Vous pouvez également spécifier un emplacement au-delà de l'une des extrémités de la coque du connecteur courant, puis utiliser l'outil Etirer le connecteur pour étendre la coque afin qu'elle entoure ces broches.

  4. Appuyez sur Entrée ou sur Echap pour mettre fin à la commande.

Modification des numéros de broches des connecteurs

  1. Cliquez sur l'onglet Schémale groupe de fonctions Modifier les composantsla liste déroulante Modifier les composantsModifier. Trouver
  2. Sélectionnez le connecteur.
  3. Dans la boîte de dialogue Insérer/Modifier un composant, section Broches, cliquez sur Liste.
  4. Dans la boîte de dialogue Numéros de broches du connecteur en cours d'utilisation, sélectionnez la paire de broches à modifier.
  5. Dans la section Numéro de broche, entrez une nouvelle valeur pour le numéro de broche dans les zones d'édition ou cliquez sur les flèches pour augmenter ou diminuer les valeurs des prises et des prises de courant de un.
  6. (Facultatif) Entrez une description pour la borne de la prise ou de la prise de courant.
  7. Cliquez sur OK.