Cet élément de profil type est utilisé pour superposer un côté d'une route existante et ajouter une ou plusieurs voies de circulation sur le bord faisant le tour d'une bordure de rive.
Il s'apparente à l'élément de profil type RecouvrementElargissementMêmePente1, hormis le fait qu'il se prolonge vers l'intérieur à partir d'un point d'embase de bordure existant ou proposé.

Le point d'association est situé sur le bord extérieur de la ligne de profil en travers de l'élargissement de voie. Cet élément de profil type est généralement inséré vers l'intérieur depuis l'embase d'une bordure et d'un caniveau existants ou proposés, ou depuis le bord extérieur de la chaussée faisant le tour d'une bordure de rive.
Remarque : toutes les cotes sont indiquées en mètres ou en pieds, sauf indication contraire. Toutes les pentes sont exprimées sous la forme x:y (par exemple, 4 : 1), sauf si elles sont exprimées en pourcentage avec un signe %.
|
Paramètre |
Description |
Type |
Par défaut |
|---|---|---|---|
|
Côté |
Indique sur quel côté du point d'association cet élément de profil type sera ajouté. |
Booléen |
Gauche / Droite |
|
Largeur de la voie d'élargissement |
Largeur de la voie d'élargissement. |
Numérique, positive |
3.6 m 12.0 pieds |
|
Largeur de superposition |
Largeur de la superposition de la chaussée. |
Numérique, positive |
3.6 m 12.0 pieds |
|
Pente |
Pente de la superposition et de l'élargissement. |
Numérique |
- 2 % |
|
Profondeur de Roulement |
Epaisseur de la couche Roulement pour l'élargissement de voie ; zéro pour omettre. |
Numérique, positive |
0.025 m 0.083 pied |
|
Profondeur de Revêtement2 |
Epaisseur de la couche Revêtement2 pour l'élargissement de voie ; zéro pour omettre. |
Numérique, positive |
0.025 m 0.083 pied |
|
Profondeur de base |
Epaisseur de la couche de base pour l'élargissement de voie. |
Numérique, positive |
0.100 m 0.333 pied |
|
Profondeur de couche de matériau |
Epaisseur de la couche de matériau pour l'élargissement de voie. |
Numérique, positif |
0.300 m 1,0 pied |
Cette section répertorie les paramètres de l'élément de profil type pouvant être mis en correspondance avec un ou plusieurs objets cibles tels qu'une surface, un axe ou un objet de ligne de profil en long dans un dessin. Pour plus d'informations, reportez-vous aux rubriques du Manuel d'utilisation d'AutoCAD Civil 3D.
|
Paramètre |
Description |
Etat |
|---|---|---|
|
Surface existante |
Nom de la surface définissant la route existante. Les types d'objet suivants peuvent être utilisés comme cibles pour spécifier la surface : surfaces. |
Obligatoire |
|
Décalage d'élargissement |
Peut être utilisé pour remplacer le paramètre fixe Largeur de la voie d'élargissement et lier le bord intérieur de l'élargissement à un axe. Les types d'objet suivants peuvent être utilisés comme cibles pour indiquer ce décalage : axes, polylignes, lignes caractéristiques du terrain ou figures de topographie. |
Facultatif |
|
Décalage de superposition |
Peut être utilisé pour remplacer le paramètre Largeur de superposition et lier le bord intérieur de la superposition à un axe. Les types d'objet suivants peuvent être utilisés comme cibles pour indiquer ce décalage : axes, polylignes, lignes caractéristiques du terrain ou figures de topographie. |
Facultatif |
|
Profil de superposition |
Peut être utilisé pour remplacer le paramètre Pente et lier l'altitude du bord intérieur de la superposition à une ligne de profil en long, aboutissant ainsi à une pente calculée. Les types d'objet suivants peuvent être utilisés comme cibles pour indiquer l'altitude : lignes de profil, polylignes 3D, lignes caractéristiques du terrain ou figures de topographie. |
Facultatif |
|
Paramètre |
Description |
Type |
|---|---|---|
|
% pente |
Pente calculée sur la surface existante du point d'échantillonnage au point d'insertion |
Numérique |
Le point d'association détermine le décalage et l'altitude du bord extérieur de l'élargissement. L'emplacement du bord intérieur de l'élargissement et du bord intérieur de la superposition est déterminé à l'aide des largeurs et de la pente indiquées. Les axes peuvent servir à remplacer les largeurs numériques données. Si le paramètre Profil de superposition est indiqué, la pente est calculée entre l'altitude de la ligne de profil en long au niveau du bord intérieur de la superposition et celle du point d'association.
L'illustration suivante montre un exemple avec profil de décalage de superposition. (Si le paramètre Profil de superposition est indiqué, la pente est calculée entre l'altitude de la ligne de profil en long au niveau du bord intérieur de la superposition et celle du point d'association.)

L'illustration suivante montre un exemple sans profil de décalage de superposition.

Il est important de noter que la pente de gauche à droite de cet élément de profil type est la même. De plus, la même pente est appliquée à toutes les sous-surfaces.
Enfin, si le profil de superposition est associé, vous devez ajouter des liens verticaux (a) du "décalage de la superposition" à la surface cible (TN), (b) de l'extrémité de la superposition et du début de l'élargissement à la surface cible (TN), et (c) ajouter des liens entre deux points le long (tracé) des liens de surface cible (TN).
La zone constituée par cette forme doit être codée en tant que "Superposition" (S1) sous le diagramme de codage.
La superposition correspond à la zone située entre le haut de la superposition et le terrain naturel, et peut correspondre à une profondeur non uniforme.
En mode d'édition, cet élément de profil type est associé à n'importe quel point. L'élément de profil type est affiché avec les largeurs et la pente indiquées. En mode de conception, les formes s'ajustent aux conditions en cours définies par la surface existante, ainsi que la ligne de profil en long et l'affectation logique d'exécution.
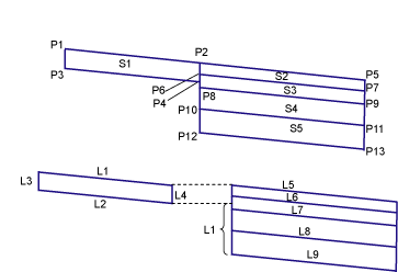
Le tableau suivant répertorie les codes, pour cet élément de profil type, des points, liens et formes auxquels sont affectés des codes. Les codes des points, liens ou formes auxquels aucun code n'a été affecté ne sont pas inclus dans ce tableau.
| Point, lien ou forme | Codes | Description |
|---|---|---|
| P5 | Bord de chaussée | Bordures extérieures de la voie d'élargissement sur la surface finale |
| P7 | Point de chaussée | Bordure extérieure de la voie d'élargissement sur Roulement |
| P9 | Point de chaussée | Bordure extérieure de la voie d'élargissement sur Revêtement2 |
| P11 | Point de chaussée | Bordure extérieure de la voie d'élargissement sur la base |
| P13 | Point de chaussée | Bord extérieur de la voie d'élargissement sur couche de matériau |
| L1, L5 | Emprise, Chaussée | Surface finale des parties revêtues |
| L2 | Renforcement | Superposé sur des liens sur la surface existante. Remarquez qu'il peut y avoir plusieurs liens entre les points P3 et P4. |
| L6 | Roulement | |
| L7 | Revêtement2 | |
| L8 | Base | |
| L9 | Forme, Assise des terrassements | |
| L10 | Assise des terrassements | |
| S1 | Renforcement | Aire entre le recouvrement et la voie existante. |
| S2 | Roulement | |
| S3 | Revêtement2 | |
| S4 | Base | |
| S5 | Forme |
