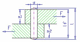
Longueur active de broche
La longueur active de broche l f est la longueur réduite par le chanfrein et le congé de dent. La longueur active supporte généralement la charge.
Formules
Vérification de la contrainte de cisaillement
Vérification de la pression de contact
Interprétations des symboles en unités métriques :
| τ |
contrainte de cisaillement [MPa] |
|
τ A |
contrainte de cisaillement admissible [MPa] |
|
d |
diamètre de la broche [mm] |
|
p 1 |
pression sur la plaque supérieure [MPa] |
|
p 2 |
pression sur la plaque inférieure [MPa] |
|
p 1A |
pression admissible sur la planche supérieure [MPa] |
|
p 2A |
pression admissible sur la planche inférieure [MPa] |
|
s 1 |
épaisseur de la planche supérieure [mm] |
|
s 2 |
épaisseur de la planche inférieure [mm] |
Interprétations des symboles en unités anglo-saxonnes :
| τ |
contrainte de cisaillement [psi] |
|
τ A |
contrainte de cisaillement admissible [psi] |
|
d |
diamètre de la broche [po] |
|
p 1 |
pression sur la planche supérieure [psi] |
|
p 2 |
pression sur la planche inférieure [psi] |
|
p 1A |
pression admissible sur la planche supérieure [psi] |
|
p 2A |
pression admissible sur la planche inférieure [psi] |
|
s 1 |
épaisseur de la planche supérieure [po] |
|
s 2 |
épaisseur de la planche inférieure [po] |