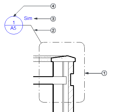
Une étiquette de détail constitue un élément d'annotation qui marque l'emplacement d'un repère dans une vue parente.
le groupe de fonctions Paramètres
la liste déroulante Paramètres supplémentaires, puis sélectionnez l'outil approprié. 
L'étiquette de détail est constitué des parties suivantes :
Bulle de détail. Ligne dessinée autour d'une partie de la vue parente afin de définir la zone du repère.
Ligne de repère. Ligne connectant le marqueur de détail à la bulle de détail.
Libellé de la référence. Pour les repères de référence uniquement. Texte affiché dans une étiquette de détail afin de fournir des informations sur le repère.
Marqueur de détail. Symbole identifiant le repère. Lorsque vous placez le repère sur une feuille, le marqueur de détail affiche par défaut le numéro de détail et le numéro de feuille correspondants.