Exemples de dimensionnement de canalisations

Les images suivantes montrent les résultats des diverses méthodes de dimensionnement de canalisation.

Frottement et vitesse

Avant dimensionnement

Après dimensionnement

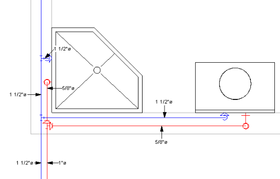
Frottement uniquement

Avant dimensionnement

Après dimensionnement

Frottement et vitesse - Branche la plus grande

Avant dimensionnement

Après dimensionnement

Frottement et vitesse - Faire correspondre la taille du connecteur

Avant dimensionnement

Après dimensionnement

Vitesse uniquement

Avant dimensionnement

Après dimensionnement

Inspecteur de système

Une seule canalisation

Diagramme du flux