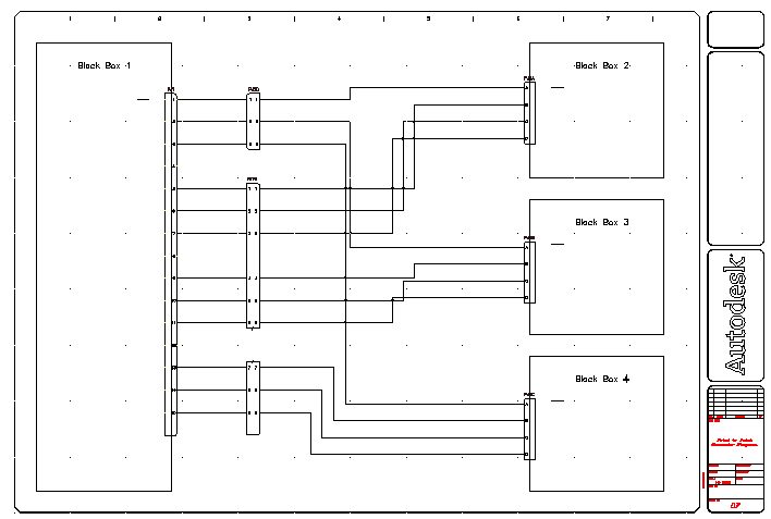
Inserimento di un connettore tra i fili esistenti.
Dopo aver collegato i connettori l'uno all'altro, inserire connettori in linea per raggruppare i fili.
Inserimento di connettori in linea


. Trova
Spaziatura pin: 1,0
Conteggio pin: 3
All'intersezione fili
Elenco pin: 1
Inserisci tutto

Specificare il punto di inserimento o [Z=zoom, P=panoramica, X=intersezione fili, V=orizzontale/verticale, TAB=inverti]:
Selezionare il punto in cui inserire il connettore sui fili connessi a PJ1, Pin 1-3



. Trova
Spaziatura pin: 1,0
Conteggio pin: 9
All'intersezione fili
Elenco pin: 1
Consenti distanziatori/interruzioni
Specificare il punto di inserimento o [Z=zoom, P=panoramica, X=intersezione fili, V=orizzontale/verticale, TAB=inverti]:
Selezionare il punto in cui inserire il connettore che inizia sulla linea presso PJ1, Pin 5
Osservare l'espansione del connettore quando si intersecano i fili.
La finestra di dialogo visualizza i pin dei connettori inseriti fino ad ora. Continuare a fare clic su Inserisci connessione successiva finché non vengono inserite 6 delle 9 connessioni.

Specificare il punto di inserimento o [Z=zoom, P=panoramica, X=intersezione fili, V=orizzontale/verticale, TAB=inverti]:
Selezionare il punto in cui inserire il connettore che inizia sulla linea presso PJ1, Pin 13




. Trova
Componente dal quale collegarsi: Selezionare la parte inferiore di PJ6 (1)
componente al quale collegarsi: Selezionare la parte superiore di PJ6 (2), quindi fare clic con il pulsante destro del mouse
