Informazioni sugli strumenti di cablaggio punto a punto

Schema di tipo punto a punto

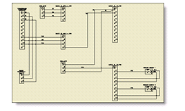
Schema di tipo ladder

Oltre agli strumenti specificamente correlati ai connettori, è possibile utilizzare altri strumenti di AutoCAD Electrical per la modifica dei diagrammi di cablaggio da punto a punto.

Modifica dei numeri di pin

Utilizzare lo strumento Modifica componente per modificare le assegnazioni dei pin sui connettori generati in modalità parametrica.

Linee di collegamento tratteggiate dei connettori

Utilizzare lo strumento Collega componenti con linea tratteggiata per inserire linee collegate tratteggiate tra i simboli dei connettori parametrici principali e secondari separati.

Spostamento rapido del connettore

Utilizzare lo strumento Sposta rapidamente per riposizionare il connettore parametrico nella stessa direzione del cablaggio connesso.

Spostamento rapido del filo

Utilizzare lo strumento Sposta rapidamente per spostare i fili collegati ai pin sui connettori. Il filo viene spostato rapidamente insieme al pin del connettore mentre tutto il corpo del connettore resta fisso.

Inserimento dei fili

Utilizzare lo strumento Inserisci filo per instradare singole connessioni di fili. Utilizzare lo strumento Bus a più fili e la modalità Componente per inserire e instradare più fili in uno strumento.

Nota:

Ad un punto di connessione del filo non possono essere collegati più di tre connessioni di fili. Se si aggiungono ulteriori fili ad un singolo punto, la connessione del filo ad angolo non potrà essere collegata in modo univoco al punto di connessione del filo.