Informazioni sui codici segmento linea

Proprietà Esempio Descrizione

Richiama punto: codice utilizzato per connettere la figura attiva ad un segmento dall'ultimo punto o da un ID punto specificato.

EP1 RPN

EP1 RPN101

EP1 è il nome della figura e specifica la continuazione di una figura attiva se i nomi corrispondono. RPN è il codice Richiama punto e, se non è presente alcun punto, crea una connessione dal punto precedente al punto corrente e inserisce un segmento prima del punto corrente. Il codice EP1 RPN101 crea una connessione dal punto corrente al punto indicato.

Connetti punto: codice utilizzato per indicare la creazione di una nuova figura (dello stesso oggetto) con un singolo segmento di linea dal punto corrente all'ID punto specificato. L'ID punto specificato segue il codice Connetti punto.

EP1 B CPN101

In questo esempio, viene creata una nuova figura in corrispondenza del punto corrente e viene disegnata un'altra nuova figura con un singolo segmento di linea nel punto 101, denominata EP1.CPN101. È possibile modificare il nome della figura utilizzando il comando Proprietà figura.

Il codice Connetti punto crea sempre una figura costituita da un singolo segmento di linea. Nella figura seguente viene illustrato un esempio del codice Connetti punto:

Rettangolo: codice utilizzato per applicare uno scostamento al segmento che si immette nel punto corrente in base al numero specificato.

BLD1 <Rettangolo>40

Un numero positivo indica uno scostamento a destra, un numero negativo indica uno scostamento a sinistra, relativamente alla direzione del segmento di linea che si immette nel punto corrente. Se il codice Rettangolo non è seguito da alcun numero, il codice chiude la figura eseguendo un'intersezione di linee perpendicolari tra il segmento precedente che si immette nel punto corrente e il primo segmento della figura.

Nota:

Un codice Rettangolo senza un numero richiede almeno tre punti precedentemente individuati nella figura corrente.

Nella figura seguente viene illustrato il codice Rettangolo con un valore specificato pari a 40:

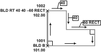
Svolta a destra: codice utilizzato con un codice di segmento di linea per consentire l'inserimento di vertici aggiuntivi perpendicolarmente nella figura o come estensioni (scostamenti diritti).

BLD1 RT X10.1 5 -12.2 -5 -12.2

Definisce la continuazione di una figura attiva BLD1 fino al punto corrente, estende le unità 10.1 del segmento corrente e quindi disegna segmenti perpendicolari per ogni valore.

I valori di scostamento e i codici < Estendi> o <Rettangolo> seguono il codice <Svolta a destra>. I numeri positivi indicano una riduzione a destra, mentre i numeri negativi indicano una riduzione a sinistra.

Nota:

Utilizzare <Estendi><Valore> per eseguire un'estensione diritta in avanti utilizzando un numero positivo o all'indietro utilizzando un numero negativo.

Nota:

Utilizzare il codice <Rettangolo> per completare il codice <Svolta a destra>, richiudendo la figura in corrispondenza del segmento iniziale come intersezione di linee perpendicolari dal segmento di linea della figura corrente.

Nella figura seguente vengono illustrati alcuni esempi di utilizzo dei codici Svolta a destra e Rettangolo:

Estendi: codice utilizzato per eseguire un'estensione di un segmento di linea attraverso e oltre il punto corrente utilizzando un valore positivo o di un segmento di linea terminante prima del punto corrente utilizzando un valore negativo.

BLD1 X15.5

BLD1 indica la continuazione di una figura attiva, X corrisponde al codice Estendi e 15.5 è il valore per cui il segmento di linea della figura viene esteso attraverso il punto corrente.

Nella figura seguente vengono illustrati alcuni esempi di utilizzo dei codici Estendi, Svolta a destra e Rettangolo: