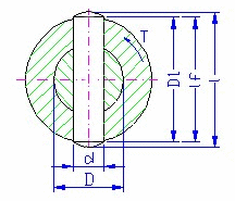
Valori consigliati:
d = (0,2 -0,3) D
D 1 = (1,5 - 2) D - per acciaio e acciaio fuso
D 1 = 2,5 D - per ghisa grigia fusa
Lunghezza attiva perno
La lunghezza attiva del perno l f è una lunghezza ridotta utilizzando cimatura e raccordi. Generalmente, la lunghezza attiva consente di trasportare carichi.
Formule in unità metriche
Sollecitazione di flessione
Pressione nell'asta
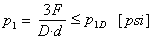
Pressione nel perno
Sollecitazione a taglio
dove:
|
F |
forza [N] |
|
|
σ 0 |
sollecitazione di flessione [MPa] |
|
|
σ 0D |
Sollecitazione di flessione ammissibile [MPa] |
|
|
M 0 |
momento flettente [N mm] |
|
|
W 0 |
modulo sezione flettente [mm 3 ] |
|
| τ |
sollecitazione a taglio [MPa] |
|
|
τ D |
sollecitazione a taglio ammissibile [MPa] |
|
|
d |
diametro del perno [mm] |
|
|
p 1 |
pressione nell'asta [MPa] |
|
|
p 2 |
pressione nel perno [MPa] |
|
|
p 1D |
pressione ammissibile nell'asta [MPa] |
|
|
p 2D |
pressione ammissibile nel perno [MPa] |
|
|
b |
larghezza asta [mm] |
|
|
a |
larghezza braccio del perno [mm] |
|
|
D |
diametro albero [mm] |
Formule in unità inglesi
Sollecitazione di flessione
Pressione nell'asta
Pressione nel perno
Sollecitazione a taglio
dove:
|
F |
forza [lb] |
|
|
σ 0 |
sollecitazione di flessione [psi] |
|
|
σ 0D |
sollecitazione di flessione ammissibile [psi] |
|
|
M 0 |
momento flettente [ln ft] |
|
|
W 0 |
modulo sezione di flessione [in 3 ] |
|
| τ |
sollecitazione a taglio [psi] |
|
|
τ D |
sollecitazione a taglio ammissibile [psi] |
|
|
d |
diametro del perno [in] |
|
|
p 1 |
pressione nell'asta [psi] |
|
|
p 2 |
pressione nel perno [psi] |
|
|
p 1D |
pressione ammissibile nell'asta [psi] |
|
|
p 2D |
pressione ammissibile nel perno [psi] |
|
|
b |
larghezza asta [in] |
|
|
a |
larghezza braccio del perno [in] |
|
|
D |
diametro albero [in] |