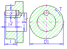
Generatore perni del giunto

Valori consigliati

d = (0,12 - 0,25) D

l = (1 -1,5) D

Lunghezza attiva perno

La lunghezza attiva del perno l f è una lunghezza ridotta utilizzando cimatura e raccordi. Generalmente, la lunghezza attiva consente di trasportare carichi.

Formule in unità metriche

Momento trasferito

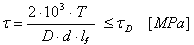
Verifica della sollecitazione a taglio

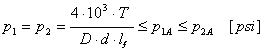
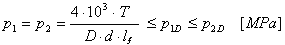
Verifica della pressione di contatto

dove:

 

P

potenza trasferita [kW]

 

n

velocità [rpm]

 

T

momento [Nm]

  τ

sollecitazione a taglio [MPa]

 

τ A

sollecitazione a taglio ammissibile [MPa]

 

d

diametro del perno [mm]

 

p 1

pressione nell'albero [MPa]

 

p 2

pressione nel mozzo [MPa]

 

p 1A

pressione ammissibile nell'albero [MPa]

 

p 2A

pressione ammissibile nel mozzo [MPa]

 

D

diametro albero [mm]

 

D 1

diametro del mozzo [mm]

 

l f

lunghezza attiva del perno [mm]

Formule in unità inglesi

Momento trasferito

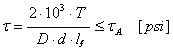
Verifica della sollecitazione a taglio

Verifica della pressione di contatto

dove:

 

P

potenza trasferita [HP]

 

n

velocità [rpm]

 

T

momento [lb ft]

  τ

sollecitazione a taglio [psi]

 

τ A

sollecitazione a taglio ammissibile [psi]

 

d

diametro del perno [in]

 

p 1

pressione nell'albero [psi]

 

p 2

pressione nel mozzo [psi]

 

p 1A

pressione ammissibile nell'albero [psi]

 

p 2A

pressione ammissibile nel mozzo [psi]

 

D

diametro albero [in]

 

D 1

diametro del mozzo [in]

 

l f

lunghezza attiva del perno [in]