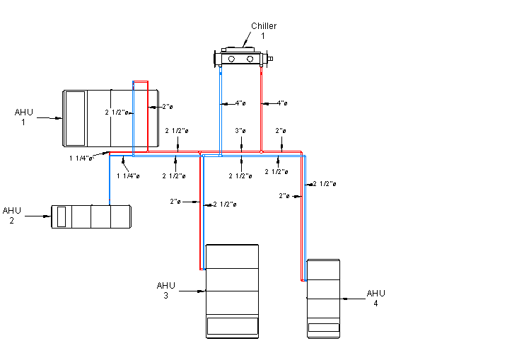
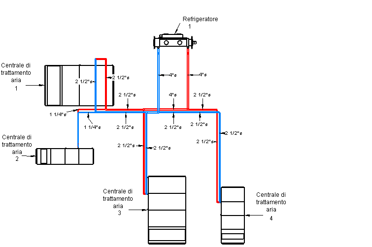
Le immagini seguenti mostrano i risultati dei vari metodi di dimensionamento delle tubazioni di un sistema idronico.

Prima del dimensionamento

Dopo il ridimensionamento

Prima del dimensionamento

Dopo il dimensionamento

Prima del dimensionamento

Dopo il dimensionamento

Prima del dimensionamento

Dopo il dimensionamento

Prima del dimensionamento

Dopo il dimensionamento