概要 - 表形式のクロス リファレンス

クロスリファレンスで表形式スタイルを使用する場合、図面内でクロスリファレンスがどのように表示されるかを示すようにプレビュー イメージが変わります。

グラフィック フォント形式:

JIC スタイルまたは IEC スタイル グラフィカル フォントを使用して、クロスリファレンス形式を表示します。この設定は、プロジェクトのプロパティで割り当てられたタグ付けモードに関係なく、グラフィカル フォントに適用されます。

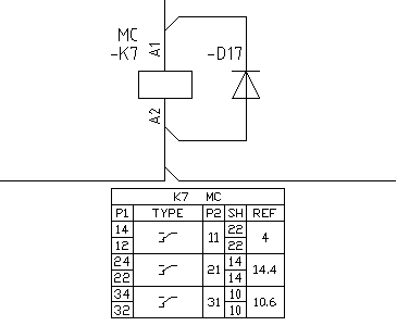
次の例は、表スタイル内でグラフィック フォント形式を使用した表形式のクロスリファレンスを示しています。[次のように表示]値は、未使用の子(接点)の "SP" です。

JIC

IEC

接点の表示形式:

次の例は、クロスリファレンス タイプ値(NO、NC、NONC)を使用したクロスリファレンス形式を示しています。

JIC

IEC

シンボル マッピング形式:

AutoCAD ブロック(.dwg)ファイルを使用して、接点タイプを示すクロスリファレンス形式を表示します。カタログ参照データベース内の _XREF_GRAPHICS テーブルはシンボル マッピングを定義します。アクティブなプロジェクトの回路図のライブラリ フォルダを対象として、挿入するマッピングされた記号を検索します。

JIC

IEC

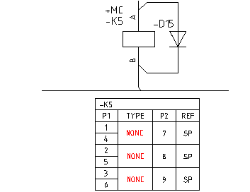
Form C 接点と表

一般的な接点タイプは Form C 接点タイプです。共通の端子ピン番号を共有する場合、2 つの接点のうち、1 つが開接点、もう 1 つが閉接点で構成されます。これらの Form C 接点は 2 つの個別のシンボルとして挿入することも、まとめて 1 つのシンボルとして挿入することもできます。

2 つのシンボルで Form C 接点が構成されている例

共通のピンがリファレンス列の右横にあり、表の P2 列に表示されています。

JIC

IEC

注: シンボル マッピング方法を使用する場合、2 つの接点が挿入されている場合でも、1 つのシンボルで Form C 接点を表します。

1 つのシンボルで Form C 接点が構成されている例

共通のピンがリファレンス列の右横にあり、表の P2 列に表示されています。

JIC

IEC

表タイトルの置換可能なパラメータ

表スタイルのクロスリファレンスでは、表タイトルに置換可能なパラメータを定義して表示することができます。一部の AutoCAD Electrical コマンドでは、図面が変更されるとこれが考慮されます。

[コンポーネントを削除]

クロスリファレンス表を持つコンポーネントを削除すると、この表も図面から削除されます。

[コンポーネントを再タグ付け]

コンポーネントが再タグ付けがされると(再タグ付け、コンポーネントを移動、回路を移動、コンポーネントを編集すると)、タグがタイトルに含まれる場合に、クロスリファレンス表が更新されます。

[コンポーネントを編集]

クロスリファレンス表を持つコンポーネントの置換可能なパラメータを変更した場合、表タイトルが変更を反映して更新されます。

[カタログ割り当てをコピー]

別のカタログ番号を親シンボルにコピーすると、ピンリストおよび接点数が更新される場合があり、クロスリファレンス表がリアルタイムで更新されます。

[組み合わせた装置/ロケーション タグ モード]

図面全体のロケーション値または装置値を変更すると、クロスリファレンス表タイトルが変更を反映して更新されます。

[回路コピー]

クロスリファレンス表を持つ回路をコピーすると、新しいタグ値で表タイトルが更新されます。

[コンポーネントを挿入]

クロスリファレンス表を持つ親コンポーネントを挿入すると、表がクロスリファレンス属性の位置(XREF および XREFNO)に挿入されます。子コンポーネントを挿入すると、親コンポーネントのクロスリファレンス表が更新されます。

[スクート]

クロスリファレンス表を持つ親コンポーネントをスクートすると、表も配線に沿ってスクートされます。

注: コンポーネント カタログ番号を変更するか、マルチ BOM カタログ番号をコンポーネントに追加した場合(どちらもピン リスト データが変更される)、[コンポーネントを挿入/編集]ダイアログ ボックスを閉じると直ちにクロスリファレンス表が更新されます。さらに、親コンポーネントのピン リストを手動で変更した場合、[コンポーネントを挿入/編集]ダイアログ ボックスを閉じると、クロスリファレンス表が新しいピン番号と変更された接点数で更新されます。

リアルタイムにクロスリファレンスが更新されないコマンドには次のものがあります。