曲げおよびパンチ穴の指示を追加するために、注記とテーブルを使用する方法を説明します。

曲げ注記
曲げ注記は、シート メタルの曲げ中心線に加工情報を追加します。曲げ注記は図面ビューに関連付けられています。
曲げテーブルには、シート メタル パーツのフラット パターン ビューのすべての曲げのプロパティが一覧表示されます。
曲げタグは、曲げテーブル内の行とビューのジオメトリを関連付けます。図面に曲げテーブルを挿入すると、選択した図面ビューに曲げタグが自動的に追加されます。曲げタグは寸法スタイルによって書式設定され、既定では引出線は付いていません。曲げタグの文字を元の位置からドラッグして、曲げタグに引出線を追加します。
注:
- 図面では、個々の曲げ中心線は、曲げオブジェクトとして(曲げ注記と曲げテーブルの両方を基準にして)処理されます。シート メタル モデルでは、曲げ中心線の数と曲げフィーチャの数は等しくありません(コンター フランジ、コンター ロール、ロフト フランジ、ヘムなどのフィーチャでは、1 回の操作で複数の曲げ中心線が作成されます)。
- コンター ロールおよびコスメティック中心線のフィーチャは、生成した曲げテーブルに自動的に収集されます。
- コンター ロール中心線については、K ファクターや方向の情報が通知されません。
- 作成中に適用された属性に従って、コスメティック中心線は曲げテーブルや注記に、空のフィールドやカスタム形式の文字列を生成します。
- 曲げ ID の順序を変更するには、シート メタル パーツを開いて、フラット パターンを編集し、[曲げ順序]を変更します。
- [曲げ順序]の順番を変更した場合は、すべての曲げテーブル内での曲げ ID の順序を[テーブルを編集]の機能で並べ替える必要があります。
- 曲げテーブルの曲げ方向は、選択したビューの曲げ方向に一致します。曲げテーブルのソースとしてシート メタル パーツ ファイルを選択すると、曲げテーブルに既定の曲げ方向が表示されます。曲げ方向を反転するには、曲げテーブルを編集し、[曲げ方向]列を右クリックし、[方向反転]を選択します。
- 旧形式の図面の曲げ方向を修正するには、曲げ注記または曲げテーブルを新しい位置にドラッグします。
- 曲げテーブルは図面ビューに関連付けられていません。曲げテーブルの作成時に選択した図面ビューを削除しても、曲げテーブルは削除されません。
- 選択したシート メタル ファイルにフラット パターンが格納されていなかったり、DataM 展開を使用して Inventor 2010 以前に作成されたフラット パターンが格納されている場合、そのファイルは有効なテーブル データ ソースとして認識されません。
-
シート メタルの材料の曲げテーブルでは、所定の厚さの材料固有の曲げ半径および曲げ角度での曲げ許容量が提供されます。図面の曲げテーブルとの関係はありません。
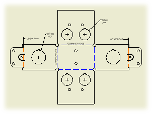
パンチ穴注記
パンチ穴の注記には、パンチ穴 ID、角度、方向、深さ、数量ノートなどの、パンチ穴に関連するデータが含まれます。パンチ穴の注記の既定のスタイルは、[寸法スタイル]パネルの[注記と引出線]タブで設定します。
パンチ テーブルを作成する前に、パンチ穴の中心を復元します。パンチ穴の中心は、図面ビューでは中心マークで表されます。ビューベースの穴テーブルを作成し、復元されたパンチ穴の中心を含めるように選択した場合、表示されているパンチ穴の中心マークはすべて個別の行として穴テーブルに含められます。対応するタグが図面ビュー内に作成されます。
パンチ テーブルを作成するには、[穴テーブル]コマンドを使用します。必要に応じて、[穴テーブルのスタイル]の[既定のフィルタ]を変更して、復元されたパンチ穴の中心を穴テーブルに既定で含めるようにします。
注:
- パンチ穴の注記とテーブルのパンチ穴方向は、図面ビューによって決まります。パンチ穴方向は、正面図に関連するパンチ穴の注記またはテーブルのパンチ穴に対して下向きの場合、背面図の同じパンチに対しては上向きです。
- 旧形式のパンチ テーブルのパンチ穴方向を修正するには、そのパンチ テーブルを新しい位置にドラッグします。
- 図面ビューでのパンチ穴フィーチャの外観は、モデルで選択したリプレゼンテーションと一致します。パンチ穴フィーチャがモデルで完全に成形されている場合、表示および非表示のモデル エッジは図面ビューで表示されます。
- パンチ穴の中心を図面ビューから、個別にロード解除することはできません。復元されたパンチ穴の中心を除去するには、ビューを編集し、[パンチ穴の中心を復元]オプションをオフにするしかありません。パンチ穴の中心マークにアタッチされた注記はすべて削除されます。
- パンチ穴の中心の表示設定は、右クリック メニューから[表示設定]を選択して設定します。非表示になっているパンチ穴の中心を表示するには、図面ビューの右クリック メニューから、[非表示の注記を表示]を選択します。
- パンチ穴の中心に関連付けられた中心マークは移動したり回転することはできませんが、中心マークの寸法補助線はドラッグによって個別にサイズ変更することができます。
- フラット パターンの図面ビューにパンチ穴が表示されているときは、ソースのシート メタル ファイルで行った変更がすべて反映されるように、中心マークが追加、移動、削除されます。
- パンチ フィーチャ スケッチ内の未使用のパンチ穴の中心は、復元されたパンチ穴の中心として表示されません。
- 復元されたパンチ穴の中心の既定の設定は、アクティブなスタイルによって指定されます。パンチ穴の中心のスタイルを編集するには、オブジェクトの既定スタイルのパネルを開き、[簡易リプレゼンテーションの表示]および[簡易リプレゼンテーションの非表示]の設定を変更します。
曲げおよびパンチ穴注記の変換単位
曲げおよびパンチ穴注記では、変換単位で寸法値を表示できます。二重単位表示は、[寸法スタイル]の[変換単位]タブで設定します。
曲げまたはパンチ テーブルで二重寸法値を表示するには、[列選択]ダイアログ ボックスを使用して、変換単位の列をテーブルに追加します。
注: 二重単位形式を選択すると、精度と公差の値も二重形式形式で表示されます。