吹き出しタグについて
吹き出しタグは、親ビューで吹き出しの位置を示す注釈要素です。
吹き出し記号ファミリを作成して、吹き出し記号の形状とそこに表示される情報を設定するには、ファミリ エディタを使用します。
使用する吹き出し記号ファミリと吹き出し領域線のコーナーの半径を指定するには、プロジェクトに吹き出しタグを作成します。
吹き出し通芯記号と引出線の線の太さ、線の色、線種を設定するには、[管理]タブ
[設定]パネル
[その他の設定]ドロップダウン リストをクリックし、適切なツールを選択します。
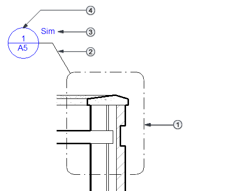
吹き出しタグは、次の要素で構成されています。
吹き出し領域線
吹き出し領域を定義するために親ビュー内に描画される線です。
引出線
吹き出し記号を吹き出し領域線に接続する線です。
参照ラベル
参照吹き出し専用です。吹き出しについて説明するために吹き出しタグに表示される文字です。
吹き出し記号
吹き出しを識別する記号です。シートに吹き出しを配置すると、既定では吹き出し記号にそのシートの詳細番号とシート番号が表示されます。
親トピック:
吹き出しビュー
関連タスク
吹き出しタグを作成する