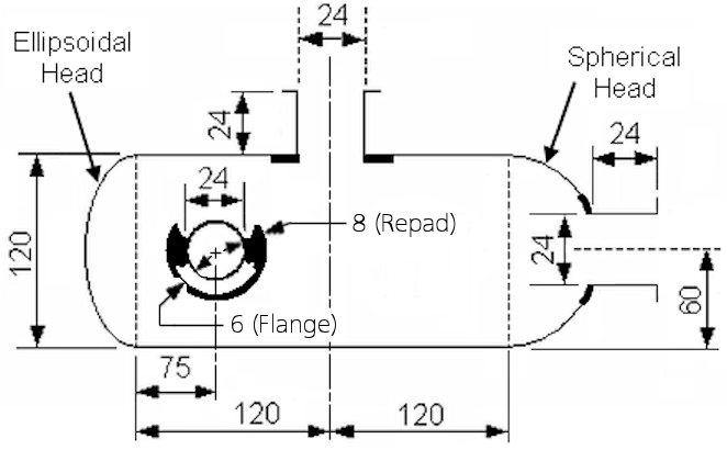
Problem Description

 Next