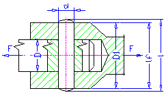
권장값:
d = (0.2 -0.3) D
D 1 = (1.5 - 2) D - 강과 주강의 경우
D 1 = 2.5 D - 회주철의 경우
활성 핀 길이
핀 활성 길이 l f 는 모따기 및 모깎기에 의해 줄어든 길이입니다. 활성 길이는 일반적으로 하중을 수반합니다.
공식
전단 응력 검사
접촉 압력 검사
미터법 단위의 기호 해석:
| τ |
전단 응력 [MPa] |
|
τ A |
허용 전단 응력 [MPa] |
|
d |
핀 지름 [mm] |
|
p 1 |
인발 봉 내의 압력 [MPa] |
|
p 2 |
슬리브 내의 압력 [MPa] |
|
p 1A |
슬리브 내의 허용 압력 [MPa] |
|
p 2A |
인발 봉 내의 허용 압력 [MPa] |
|
D |
인발 봉 지름 [mm] |
|
D 1 |
슬리브 지름 [mm] |
영국식 단위의 기호 해석:
| τ |
전단 응력 [psi] |
|
τ A |
허용 전단 응력 [psi] |
|
d |
핀 지름 [in] |
|
p 1 |
인발 봉 내의 압력 [psi] |
|
p 2 |
슬리브 내의 압력 [psi] |
|
p 1A |
슬리브 내의 허용 압력 [psi] |
|
p 2A |
인발 봉 내의 허용 압력 [psi] |
|
D |
인발 봉 지름 [in] |
|
D 1 |
슬리브 지름 [in] |