냉간성형 강철 단면 모양 치수

냉간성형 강철 구조 프레임 요소의 단면 모양 치수 매개변수 값을 검토하고 수정합니다.

이러한 유형의 특성은 요소의 단면 모양 패밀리 카테고리 매개변수에서 작성됩니다.

단면 모양 사용 가능한 모양 치수 매개변수
직사각형 HSS(냉간성형 강철)

B. 폭: 단면 모양의 외부 폭.

H. 높이: 단면 모양의 외부 높이.

T. 벽 설계 두께: 단면 모양의 내부 표면과 외부 표면 사이 수직 설계 두께.

t. 벽 공칭 두께: 단면 모양의 내부 표면과 외부 표면 사이 평균 수직 거리.

r1. 내부 모깎기: 직사각형 속 빈 구조 단면 모양의 내부 구석 모깍기의 반지름.

r2. 외부 모깎기: 직사각형 속 빈 구조 단면 모양의 외부 구석 모깍기의 반지름.

y. 중심 수평: 단면 모양의 중심에서 수평 축을 따라 왼쪽 끝까지 거리.

z. 중심 수직: 단면 모양의 중심에서 수직 축을 따라 아래 끝까지 거리.

알파. 주 축 각도: 주 축과 횡단면 참조 평면 간의 회전 각도. 이것은 구조 해석 패밀리 매개변수로 나열됩니다.

원형 HSS(냉간성형 강철)

D. 지름: 원형 단면 모양의 외부 지름.

T. 벽 설계 두께: 단면 모양의 내부 표면과 외부 표면 사이 수직 설계 두께.

t. 벽 공칭 두께: 단면 모양의 내부 표면과 외부 표면 사이 평균 수직 거리.

y. 중심 수평: 단면 모양의 중심에서 수평 축을 따라 왼쪽 끝까지 거리.

z. 중심 수직: 단면 모양의 중심에서 수직 축을 따라 아래 끝까지 거리.

알파. 주 축 각도: 주 축과 횡단면 참조 평면 간의 회전 각도. 이것은 구조 해석 패밀리 매개변수로 나열됩니다.

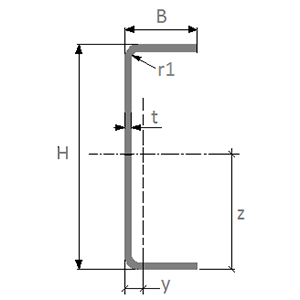
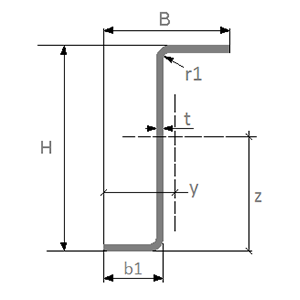
C 프로파일

B. 폭: 단면 모양의 외부 폭.

H. 높이: 단면 모양의 외부 높이.

T. 벽 설계 두께: 단면 모양의 내부 표면과 외부 표면 사이 수직 설계 두께.

t. 벽 공칭 두께: 단면 모양의 내부 표면과 외부 표면 사이 평균 수직 거리.

r1. 내부 모깎기: 냉간성형 강철 단면 모양의 구부림 안쪽 코너 모깎기 반지름입니다.

r2. 외부 모깎기: 냉간성형 강철 단면 모양의 구부림 바깥쪽 코너 모깎기 반지름입니다.

y. 중심 수평: 단면 모양의 중심에서 수평 축을 따라 왼쪽 끝까지 거리.

z. 중심 수직: 단면 모양의 중심에서 수직 축을 따라 아래 끝까지 거리.

알파. 주 축 각도: 주 축과 횡단면 참조 평면 간의 회전 각도. 이것은 구조 해석 패밀리 매개변수로 나열됩니다.

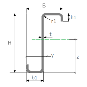
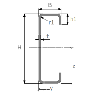
접이 포함 C 프로파일

B. 폭: 단면 모양의 외부 폭.

H. 높이: 단면 모양의 외부 높이.

h1. 립 길이: 단면 모양의 외부 표면에서 립 세그먼트 끝 사이의 거리입니다.

b1. 접이 길이: 립 세그먼트의 외부 표면에서 접이 세그먼트 끝 사이의 거리입니다.

T. 벽 설계 두께: 단면 모양의 내부 표면과 외부 표면 사이 수직 설계 두께.

t. 벽 공칭 두께: 단면 모양의 내부 표면과 외부 표면 사이 평균 수직 거리.

r1. 내부 모깎기: 냉간성형 강철 단면 모양의 구부림 안쪽 코너 모깎기 반지름입니다.

r2. 외부 모깎기: 냉간성형 강철 단면 모양의 구부림 바깥쪽 코너 모깎기 반지름입니다.

y. 중심 수평: 단면 모양의 중심에서 수평 축을 따라 왼쪽 끝까지 거리.

z. 중심 수직: 단면 모양의 중심에서 수직 축을 따라 아래 끝까지 거리.

알파. 주 축 각도: 주 축과 횡단면 참조 평면 간의 회전 각도. 이것은 구조 해석 패밀리 매개변수로 나열됩니다.

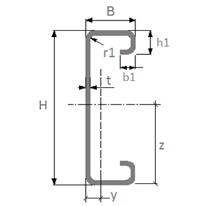
립 포함 C 프로파일

B. 폭: 단면 모양의 외부 폭.

H. 높이: 단면 모양의 외부 높이.

h1. 립 길이: 단면 모양의 외부 표면에서 립 세그먼트 끝 사이의 거리입니다.

T. 벽 설계 두께: 단면 모양의 내부 표면과 외부 표면 사이 수직 설계 두께.

t. 벽 공칭 두께: 단면 모양의 내부 표면과 외부 표면 사이 평균 수직 거리.

r1. 내부 모깎기: 냉간성형 강철 단면 모양의 구부림 안쪽 코너 모깎기 반지름입니다.

r2. 외부 모깎기: 냉간성형 강철 단면 모양의 구부림 바깥쪽 코너 모깎기 반지름입니다.

y. 중심 수평: 단면 모양의 중심에서 수평 축을 따라 왼쪽 끝까지 거리.

z. 중심 수직: 단면 모양의 중심에서 수직 축을 따라 아래 끝까지 거리.

알파. 주 축 각도: 주 축과 횡단면 참조 평면 간의 회전 각도. 이것은 구조 해석 패밀리 매개변수로 나열됩니다.

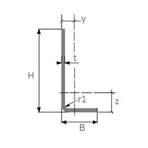
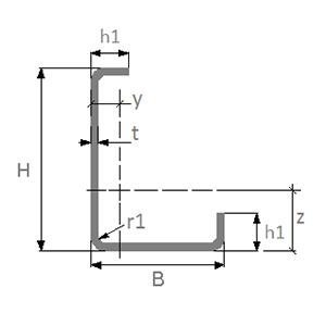
L 프로파일

B. 폭: 단면 모양의 외부 폭.

H. 높이: 단면 모양의 외부 높이.

T. 벽 설계 두께: 단면 모양의 내부 표면과 외부 표면 사이 수직 설계 두께.

t. 벽 공칭 두께: 단면 모양의 내부 표면과 외부 표면 사이 평균 수직 거리.

r1. 내부 모깎기: 냉간성형 강철 단면 모양의 구부림 안쪽 코너 모깎기 반지름입니다.

r2. 외부 모깎기: 냉간성형 강철 단면 모양의 구부림 바깥쪽 코너 모깎기 반지름입니다.

y. 중심 수평: 단면 모양의 중심에서 수평 축을 따라 왼쪽 끝까지 거리.

z. 중심 수직: 단면 모양의 중심에서 수직 축을 따라 아래 끝까지 거리.

알파. 주 축 각도: 주 축과 횡단면 참조 평면 간의 회전 각도. 이것은 구조 해석 패밀리 매개변수로 나열됩니다.

립 포함 L 프로파일

B. 폭: 단면 모양의 외부 폭.

H. 높이: 단면 모양의 외부 높이.

h1. 립 길이: 단면 모양의 외부 표면에서 립 세그먼트 끝 사이의 거리입니다.

T. 벽 설계 두께: 단면 모양의 내부 표면과 외부 표면 사이 수직 설계 두께.

t. 벽 공칭 두께: 단면 모양의 내부 표면과 외부 표면 사이 평균 수직 거리.

r1. 내부 모깎기: 냉간성형 강철 단면 모양의 구부림 안쪽 코너 모깎기 반지름입니다.

r2. 외부 모깎기: 냉간성형 강철 단면 모양의 구부림 바깥쪽 코너 모깎기 반지름입니다.

y. 중심 수평: 단면 모양의 중심에서 수평 축을 따라 왼쪽 끝까지 거리.

z. 중심 수직: 단면 모양의 중심에서 수직 축을 따라 아래 끝까지 거리.

알파. 주 축 각도: 주 축과 횡단면 참조 평면 간의 회전 각도. 이것은 구조 해석 패밀리 매개변수로 나열됩니다.

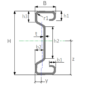
시그마 프로파일

B. 폭: 단면 모양의 외부 폭.

H. 높이: 단면 모양의 외부 높이.

b2. 구부림 폭: 단면 모양의 왼쪽 끝에서 중간 구부림 세그먼트의 외부 표면 사이의 거리입니다.

h2. 중간 구부림 길이: 중간 구부림 세그먼트의 실내 표면 길이입니다.

T. 벽 설계 두께: 단면 모양의 내부 표면과 외부 표면 사이 수직 설계 두께.

t. 벽 공칭 두께: 단면 모양의 내부 표면과 외부 표면 사이 평균 수직 거리.

r1. 내부 모깎기: 냉간성형 강철 단면 모양의 구부림 안쪽 코너 모깎기 반지름입니다.

r2. 외부 모깎기: 냉간성형 강철 단면 모양의 구부림 바깥쪽 코너 모깎기 반지름입니다.

y. 중심 수평: 단면 모양의 중심에서 수평 축을 따라 왼쪽 끝까지 거리.

z. 중심 수직: 단면 모양의 중심에서 수직 축을 따라 아래 끝까지 거리.

알파. 주 축 각도: 주 축과 횡단면 참조 평면 간의 회전 각도. 이것은 구조 해석 패밀리 매개변수로 나열됩니다.

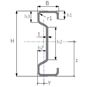
접이 포함 시그마 프로파일

B. 폭: 단면 모양의 외부 폭.

H. 높이: 단면 모양의 외부 높이.

b1. 접이 길이: 립 세그먼트의 외부 표면에서 접이 세그먼트 끝 사이의 거리입니다.

h1. 립 길이: 단면 모양의 외부 표면에서 립 세그먼트 끝 사이의 거리입니다.

b2. 구부림 폭: 단면 모양의 왼쪽 끝에서 중간 구부림 세그먼트의 외부 표면 사이의 거리입니다.

h2. 중간 구부림 길이: 중간 구부림 세그먼트의 실내 표면 길이입니다.

h3. 상단 구부림 길이: 단면 모양의 상단 외부 표면에서 상단 구부림 세그먼트 끝 사이의 거리입니다.

T. 벽 설계 두께: 단면 모양의 내부 표면과 외부 표면 사이 수직 설계 두께.

t. 벽 공칭 두께: 단면 모양의 내부 표면과 외부 표면 사이 평균 수직 거리.

r1. 내부 모깎기: 냉간성형 강철 단면 모양의 구부림 안쪽 코너 모깎기 반지름입니다.

r2. 외부 모깎기: 냉간성형 강철 단면 모양의 구부림 바깥쪽 코너 모깎기 반지름입니다.

y. 중심 수평: 단면 모양의 중심에서 수평 축을 따라 왼쪽 끝까지 거리.

z. 중심 수직: 단면 모양의 중심에서 수직 축을 따라 아래 끝까지 거리.

알파. 주 축 각도: 주 축과 횡단면 참조 평면 간의 회전 각도. 이것은 구조 해석 패밀리 매개변수로 나열됩니다.

립 포함 시그마 프로파일

B. 폭: 단면 모양의 외부 폭.

H. 높이: 단면 모양의 외부 높이.

b2. 구부림 폭: 단면 모양의 왼쪽 끝에서 중간 구부림 세그먼트의 외부 표면 사이의 거리입니다.

h1. 립 길이: 단면 모양의 외부 표면에서 립 세그먼트 끝 사이의 거리입니다.

h2. 중간 구부림 길이: 중간 구부림 세그먼트의 실내 표면 길이입니다.

h3. 상단 구부림 길이: 단면 모양의 상단 외부 표면에서 상단 구부림 세그먼트 끝 사이의 거리입니다.

T. 벽 설계 두께: 단면 모양의 내부 표면과 외부 표면 사이 수직 설계 두께.

t. 벽 공칭 두께: 단면 모양의 내부 표면과 외부 표면 사이 평균 수직 거리.

r1. 내부 모깎기: 냉간성형 강철 단면 모양의 구부림 안쪽 코너 모깎기 반지름입니다.

r2. 외부 모깎기: 냉간성형 강철 단면 모양의 구부림 바깥쪽 코너 모깎기 반지름입니다.

y. 중심 수평: 단면 모양의 중심에서 수평 축을 따라 왼쪽 끝까지 거리.

z. 중심 수직: 단면 모양의 중심에서 수직 축을 따라 아래 끝까지 거리.

알파. 주 축 각도: 주 축과 횡단면 참조 평면 간의 회전 각도. 이것은 구조 해석 패밀리 매개변수로 나열됩니다.

Z 프로파일

B. 폭: 단면 모양의 외부 폭.

H. 높이: 단면 모양의 외부 높이.

b1. 하단 플랜지 길이: 단면 모양의 실내 표면에서 하단 플랜지 세그먼트의 끝 사이의 거리입니다.

T. 벽 설계 두께: 단면 모양의 내부 표면과 외부 표면 사이 수직 설계 두께.

t. 벽 공칭 두께: 단면 모양의 내부 표면과 외부 표면 사이 평균 수직 거리.

r1. 내부 모깎기: 냉간성형 강철 단면 모양의 구부림 안쪽 코너 모깎기 반지름입니다.

r2. 외부 모깎기: 냉간성형 강철 단면 모양의 구부림 바깥쪽 코너 모깎기 반지름입니다.

y. 중심 수평: 단면 모양의 중심에서 수평 축을 따라 왼쪽 끝까지 거리.

z. 중심 수직: 단면 모양의 중심에서 수직 축을 따라 아래 끝까지 거리.

알파. 주 축 각도: 주 축과 횡단면 참조 평면 간의 회전 각도. 이것은 구조 해석 패밀리 매개변수로 나열됩니다.

립 포함 Z 프로파일

B. 폭: 단면 모양의 외부 폭.

H. 높이: 단면 모양의 외부 높이.

b1. 하단 플랜지 길이: 단면 모양의 실내 표면에서 하단 플랜지 세그먼트의 끝 사이의 거리입니다.

h1. 립 길이: 단면 모양의 외부 표면에서 립 세그먼트 끝 사이의 거리입니다.

T. 벽 설계 두께: 단면 모양의 내부 표면과 외부 표면 사이 수직 설계 두께.

t. 벽 공칭 두께: 단면 모양의 내부 표면과 외부 표면 사이 평균 수직 거리.

r1. 내부 모깎기: 냉간성형 강철 단면 모양의 구부림 안쪽 코너 모깎기 반지름입니다.

r2. 외부 모깎기: 냉간성형 강철 단면 모양의 구부림 바깥쪽 코너 모깎기 반지름입니다.

y. 중심 수평: 단면 모양의 중심에서 수평 축을 따라 왼쪽 끝까지 거리.

z. 중심 수직: 단면 모양의 중심에서 수직 축을 따라 아래 끝까지 거리.

알파. 주 축 각도: 주 축과 횡단면 참조 평면 간의 회전 각도. 이것은 구조 해석 패밀리 매개변수로 나열됩니다.