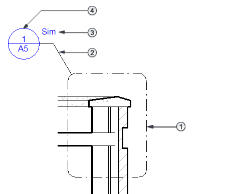
Oznaczenie odwołania jest elementem opisu, który oznacza położenie odwołania w widoku nadrzędnym.
panel Ustawienia
menu rozwijane Ustawienia dodatkowe i wybierz odpowiednie narzędzie. 
Oznaczenie odwołania składa się z następujących części:
Znacznik odwołania. Linia narysowana wokół części widoku nadrzędnego definiująca obszar odwołania.
Linia odniesienia. Linia łącząca symbol odwołania ze znacznikiem odwołania.
Etykieta odniesienia. Tylko w przypadku odwołań odniesienia. Tekst wyświetlany na oznaczeniu odwołania zawierający informacje na temat odwołania.
Symbol odwołania. Symbol identyfikujący odwołanie. Kiedy odwołanie zostanie umieszczone w arkuszu, w symbolu odwołania domyślnie zostanie wyświetlony odpowiedni numer szczegółu i numer arkusza.