Połącz złączone lub przyległe wystąpienia zbrojenia za pomocą łącznika.
Film: Umieszczanie złączy zbrojeń
panel Zbrojenie
(Łącznik zbrojenia).
panel Opcje umieszczenia
(Umieść na końcu pręta)
panel Opcje umieszczenia
(Umieść pomiędzy dwoma prętami)

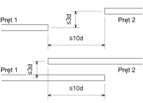
Tolerancja umieszczenia łącznika