Valores recomendados:
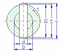
d = (0,2 -0,3) D
D 1 = (1,5 - 2) D - para aço e aço fundido
D 1 = 2,5 D - para ferro fundido cinza
Comprimento ativo do pino
O comprimento ativo do pino l f diminui com os chanfros e as concordâncias e costuma suportar a carga. e costuma suportar a carga.
Fórmulas em unidades métricas
Tensão de vergadura
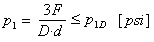
Pressão na vareta
Pressão no clevis
Tensão de corte
onde:
|
F |
força [N] |
|
|
σ 0 |
tensão de dobra [MPa] |
|
|
σ 0D |
tensão de dobra suportada [MPa] |
|
|
M 0 |
momento de dobra[N mm] |
|
|
W 0 |
módulo da seção de dobra [mm 3 ] |
|
| τ |
tensão de corte [MPa] |
|
|
τ D |
tensão de corte suportada [MPa] |
|
|
d |
diâmetro do pino [mm] |
|
|
p 1 |
pressão na vareta [MPa] |
|
|
p 2 |
pressão no clevis [MPa] |
|
|
p 1D |
pressão suportada na vareta [MPa] |
|
|
p 2D |
pressão suportada no clevis [MPa] |
|
|
b |
largura da vareta [mm] |
|
|
a |
largura do braço do clevis [mm] |
|
|
D |
diâmetro do eixo [mm] |
Fórmulas em unidades imperiais
Tensão de vergadura
Pressão na vareta
Pressão no clevis
Tensão de corte
onde:
|
F |
força [libras] |
|
|
σ 0 |
tensão de dobra [psi] |
|
|
σ 0D |
tensão de vergadura suportada [psi] |
|
|
M 0 |
momento de dobra [polegadas pés] |
|
|
W 0 |
módulo da seção de vergadura [pol 3 ] |
|
| τ |
tensão de corte [psi] |
|
|
τ D |
tensão de corte suportada [psi] |
|
|
d |
diâmetro do pino [pol] |
|
|
p 1 |
pressão na vareta [psi] |
|
|
p 2 |
pressão no clevis [psi] |
|
|
p 1D |
pressão suportada na vareta [psi] |
|
|
p 2D |
pressão suportada no clevis [psi] |
|
|
b |
largura da vareta [pol] |
|
|
a |
largura do braço do clevis [pol] |
|
|
D |
diâmetro do eixo [pol] |