AutoCAD Mechanical группирует все параметры, на которые распространяется управление стандартов оформления, и сохраняет их в профиле, который называется "Стандарт".
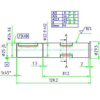
В AutoCAD Mechanical включено восемь таких профилей (ANSI, BSI, CSN, DIN, GB, ISO JIS и ГОСТ), каждый из которых настроен в соответствии со стандартом оформления. Эти настройки управляют процессом создания геометрии с помощью инструментов AutoCAD Mechanical. Поэтому можно сказать, что AutoCAD Mechanical управляется стандартами. На следующем рисунке показан чертеж вала, созданный с помощью стандарта DIN. Обратите внимание на соответствие аннотаций стандарту DIN.

Проектирование в программе AutoCAD Mechanical подчиняется стандартам, поэтому назначение стандарта оформления чертежу весьма важно. При создании чертежа AutoCAD Mechanical автоматически назначает ему стандарт оформления.
При открытии чертежа AutoCAD или создании нового чертежа на основе шаблона AutoCAD (DWT), AutoCAD Mechanical назначает чертежу наиболее подходящий стандарт оформления (см. также обсуждение вопроса "Переопределение стандартов и пользовательские стандарты для других чертежей", которое приведено ниже). Изменить стандарт оформления довольно легко.
Стандарт оформления управляет следующими элементами стандарта:
Можно переопределить любой из зависимых от стандарта параметров в соответствии с конкретными требованиями. Переопределения сохраняются в стандарте. При выборе другого стандарта его элементы становятся активными. Если выбрать другой стандарт в сеансе работы с чертежом, это изменение не влияет на уже существующие в чертеже объекты. Новому стандарту будут соответствовать только вновь создаваемые объекты. Если снова выбрать исходный стандарт, его настройки вновь станут активными.
Если переопределяется элемент стандарта, AutoCAD Mechanical проверяет эти изменения и запрещает применение настроек, нарушающих стандарт. Если требуется пропустить процесс проверки, следует создать пользовательский стандарт и выбрать его в качестве текущего стандарта оформления чертежа.
Например, стандарт ANSI ограничивает выбор высоты текста значениями 0,1, 0,12 и 0,24. Для использования другой высоты текста создайте на основе стандарта оформления ANSI пользовательский стандарт. Пользовательский стандарт позволяет использовать любое значение высоты текста. Все другие настройки будут соответствовать стандарту ANSI.
Чтобы создать пользовательский стандарт или стандарт с переопределениями, доступный для других чертежей, сохраните их в шаблон чертежа (*.dwt). Если задать данный шаблон в качестве шаблона по умолчанию, то при открытии чертежа AutoCAD или при создании чертежа на основе шаблона AutoCAD к чертежу применяются зависящие от стандарта параметры из шаблона по умолчанию. В случае несовпадения единиц измерения в шаблоне по умолчанию и в чертеже или шаблоне AutoCAD Mechanical не использует шаблон по умолчанию. Если шаблон по умолчанию не задан, AutoCAD Mechanical назначает стандарт ANSI (для чертежей в британской системе) или стандарт ISO (для чертежей в метрической системе).
Можно также импортировать параметры из шаблона чертежа (.dwt) с помощью команды AMSETUPDWG. Операция импорта настроек в текущем сеансе работы с программой аналогична операции изменения стандарта оформления или изменения элементов стандарта в текущем сеансе.