Данный элемент конструкции используется для покрытия одной стороны имеющегося дорожного полотна и добавления одной или нескольких полос движения вдоль скругления на пересечении.
Данный элемент конструкции аналогичен элементу ПокрытиеСУширениемПоПоперечномуУклону1, за исключением удлинения во внутреннем направлении от существующей или планируемой точки кромки бордюра.

Точка привязки находится на внешней кромке сечения полосы уширения. Обычно этот элемент конструкции вставляется во внутреннем направлении от кромки существующего или планируемого бордюра и водосборного лотка или от внешней кромки дорожного покрытия вдоль скругления на пересечении.
Примечание: если не указаны другие единицы, все размеры приводятся в метрах или футах. Если значение поперечного уклона не указано в процентах (знак "%"), все значения поперечного уклона даны как отношение длины к высоте (например, 4 : 1).
|
Параметр |
Описание |
Тип |
По умолчанию |
|---|---|---|---|
|
Сторона |
Указывает на то, с какой стороны точки привязки добавляется данный элемент конструкции. |
Логический |
Слева / Справа |
|
Ширина полосы уширения |
Ширина полосы уширения. |
Числовое, положительное |
3,6 м 12,0 футов |
|
Ширина покрытия |
Ширина покрытия дорожного полотна. |
Числовое, положительное |
3,6 м 12,0 футов |
|
Поперечный уклон |
Поперечный уклон покрытия и уширения |
Числовое |
- 2% |
|
Толщина покрытия 1 |
Толщина слоя "Покрытие1" для полосы уширения; нуль - игнорировать слой. |
Числовое, положительное |
0,025 м 0,083 фута |
|
Толщина покрытия 2 |
Толщина слоя "Покрытие2" для полосы уширения; нуль - игнорировать слой. |
Числовое, положительное |
0,025 м 0,083 фута |
|
Толщина основания |
Толщина слоя основания для полосы уширения. |
Числовое, положительное |
0,100 м 0,333 фута |
|
Толщина дополнительного слоя основания |
Толщина дополнительного слоя основания для полосы уширения. |
Числовое, положительное |
0,300 м 1,0 фут |
В этом разделе перечислены параметры данного элемента конструкции, которые могут соответствовать одному или нескольким целевым объектам чертежа, например поверхности, трассе или профилю. Более подробные сведения приведены в разделах в руководстве пользователя AutoCAD Civil 3D.
|
Параметр |
Описание |
Статус |
|---|---|---|
|
Существующая поверхность |
Имя поверхности, определяющей существующее дорожное полотно. Следующие объекты могут использоваться в качестве целевых для задания поверхности: поверхности. |
Требуется |
|
Смещение уширения |
Может использоваться для переопределения фиксированного значения "Ширина полосы уширения" и привязки внутренней кромки уширения к трассе Следующие типы объектов могут использоваться в качестве целевых для указания смещения: трассы, полилинии, характерные линии и фигуры съемки. |
Не обязательно |
|
Смещение покрытия |
Может использоваться для переопределения ширины покрытия и привязки внутренней кромки покрытия к трассе Следующие типы объектов могут использоваться в качестве целевых для указания смещения: трассы, полилинии, характерные линии и фигуры съемки. |
Не обязательно |
|
Профиль покрытия |
Может использоваться для переопределения уклона и привязки отметки внутренней кромки покрытия к профилю, позволяя рассчитать уклон Следующие типы объектов могут использоваться в качестве целевых для указания отметки: профили, 3D полилинии, характерные линии и фигуры съемки. |
Не обязательно |
|
Параметр |
Описание |
Тип |
|---|---|---|
|
Поперечный уклон в % |
Рассчитанный поперечный уклон на существующей поверхности от точки "Выборочная точка" до точки "Точка вставки" |
Числовое |
Точка привязки определяет смещение и отметку внешней кромки уширения. Местоположение внутренних кромок уширения и покрытия определяется данными значениями ширины и уклона. Для переопределения данных числовых значений ширины могут использоваться трассы. Если задан профиль покрытия, значение поперечного уклона рассчитывается между отметкой профиля на внутренней кромке покрытия и точкой привязки.
На следующем рисунке показана ситуация с профилем для смещения покрытия. (Если задан профиль покрытия, значение поперечного уклона рассчитывается между отметкой профиля на внутренней кромке покрытия и точкой привязки.)

На следующем рисунке показана ситуация без профиля для смещения покрытия.

Важно заметить, что значение поперечного уклона слева направо для этого элемента конструкции не изменяется. Это же значение поперечного уклона применяется ко всем подчиненным поверхностям.
В конечном итоге, если присоединен профиль покрытия, необходимо добавить вертикальные звенья (a) от "Смещения покрытия" до целевой поверхности (EG) и (b) от конца покрытия и начала уширения до целевой поверхности (EG) и (c) добавить звенья (выполнить трассировку) между двумя точками вдоль звеньев целевой (EG) поверхности.
Области, сформированной этой фигурой, должен быть присвоен код "Покрытие" - (S1) ниже, на диаграмме кодировки.
Покрытие - это область между верхней поверхностью покрытия и существующей поверхностью грунта, она может располагаться не горизонтально.
Данный элемент конструкции в режиме компоновки присоединяется к любой удобной точке. Элемент конструкции показан при заданных значениях уклона и ширины. В режиме компоновки формы корректируются применительно к реальным условиям, определяемым существующей поверхностью и трассами и профилями в режиме динамического логического назначения.
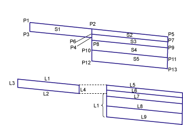
В следующей таблице для этого элемента конструкции перечислены коды точек, звеньев и форм, для которых имеются назначаемые коды. Коды точек, звеньев или форм данного элемента конструкции, которым коды не назначаются, в таблице не приводятся.
| Точка, Звено или Форма | Codes (Коды) | Описание |
|---|---|---|
| P5 | КПЧ | Внешний край полосы уширения на проектной поверхности |
| P7 | КПЧ_Покрытие1 | Внешний край полосы уширения на слое "Покрытие1" |
| P9 | КПЧ_Покрытие2 | Внешний край полосы уширения на слое "Покрытие2" |
| P11 | КПЧ_Основание | Внешний край полосы уширения на основании |
| P13 | КПЧ_Осн | Внешний край полосы уширения на дополнительном слое основания |
| L1, L5 | Верх, Покрытие | Проектная поверхность |
| L2 | Покрытие | Наложенное на звенья на существующей поверхности. Следует заметить, что между точками Р3 и Р4 может быть не одна, а несколько точек. |
| L6 | Покрытие1 | |
| L7 | Покрытие2 | |
| L8 | Основание | |
| L9 | Дополнительный слой основания, база отсчета | |
| L10 | База отсчета | |
| S1 | Покрытие | Зона между покрытием и существующей полосой. |
| S2 | Покрытие1 | |
| S3 | Покрытие2 | |
| S4 | Основание | |
| S5 | Дополнительный слой основания |
