Модуль для проектирования железобетонных стен позволяет определять несколько типов нагрузок на стены.
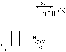
Равномерные и плоскостные нагрузки, преобразованные в эту форму, распределяюся в зависимости от расстояния до уровня, где они приложены. Принимается, что в случае произвольной формы нагрузки (в отличие от равномерного распределения), ее распределение по высоте стены преобразуется в равномерно распределенную.
На рисунке ниже показан шаблон раскладки гравитационных нагрузок вдоль высоты стены.

Угол q зависит от того, какая из стен армирована. Это выражается значением тригонометрической функции:
Если в стене имеются проемы, то принимается, что нагрузки от перемычки передаются по зонам, прилегающим к краям проема. Распределение нагрузок зависит от распределения нагрузки относительно вертикального края проема. Ширина распределения нагрузки от перемычки (ширина зон в проеме) принимается равной меньшему из двух значений: половине ширина проема либо двойной толщине стены.
Данный подход позволяет учитывать концентрацию напряжений, возникших, например, на участках, смежных с окнами или между окнами.
Модуль по проектированию железобетонной стены позволяет определять нагрузки, которые повторяются на последовательных этажах конструкции (т. е. выше, чем учтенная плита). Например, если нагрузки от пола, поддерживаемого стенкой, такие же, что и от всех выше расположенных этажей, то пользователь может ввести количество одинаковых этажей над рассматриваемым в поле Число вышележащих этажей в диалоговом окне для определения нагрузок.
Для определенных таким образом серий нагрузок принимается, что распределение нагрузок передается от высших этажей на рассчитываемую стену равномерно по всей длине пролета.
Метод расчета напряжений от равномерных нагрузок показан на формулах:
γ(x) = p(x) / a(x),
где
γ(x) — напряжение в точке x;
p(x) — распределенная нагрузка (произвольной формы);
a(x) — толщина стены.
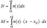
Приведенные нагрузки — это нагрузки, передаваемые на всю конструкцию, принимая, что сооружение работает, как жесткая конструкция. Принимается, что приведенные нагрузки прикладываются у основания данного этажа (в центре тяжести сечения основания стены с учетом проемов). Приведенные нагрузки могут определяться пользователем непосредственно в модуле стены.
Метод расчета напряжений от приведенных усилий показан на следующих формулах.
γ(N) = N / Atot,
где
Atot — общая площадь поперечного сечения конструкции (с учетом отверстий) на i-ой отметке;
где
Itot - момент инерции нижнего сечения стены (с учетом проемов) на i- ой отметке;
ytot – расстояние рассматриваемой точки от ценра тяжести сечения основания стены (с учетом проемов) на i- ой отметке;
где
amin — толщина стены;
Lmin - длина конструкции.
При использовании классического метода BAEL или выборе норм ACI, а также при расчете на срези сдвиг по нормам BAEL упрощенным методом линейные нагрузки, приложенные к любой отметке стены, преобразуются в систему приведенных нагрузок N-M в сечении основания стены. Нагрузки приводятся так, как показано на рисунке ниже.

где
