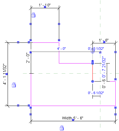
Отображение автоматических размеров на эскизах по умолчанию отключено. Они отображаются, если семейство содержит хотя бы один маркированный размер.
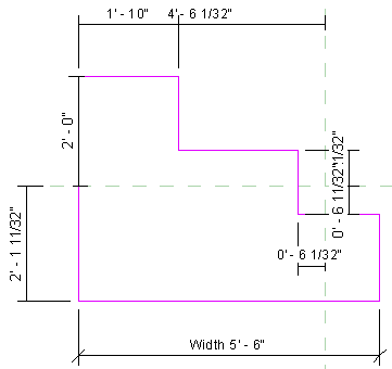
Обратите внимание: на следующей иллюстрации на геометрию нанесен размер, но он не имеет метки.

Автоматические размеры невидимы на эскизе.
Включение видимости автоматических размеров на эскизах
панель "Графика"
(Видимость/Графика) или введите значение VG. На экране отображаются автоматические размеры.

Revit распознает положение каждой линии геометрии относительно вспомогательных плоскостей или других линий эскиза.
При добавлении заблокированных размеров они заменяют автоматические размеры на эскизе, как показано на иллюстрации.
