| 特性 | 样例 | 描述 |
|---|---|---|
|
重新调用点:该代码用于将活动地物与从最后点或指定点 ID 开始的线段相连接。 |
EP1 RPN EP1 RPN101 |
EP1 为地物名称,如果名称匹配,它会延伸活动地物。RPN 为重新调用点代码,如果不存在任何点,它会从上一个点连接到当前点并在当前点之前插入一条线段。代码 EP1 RPN101 会从当前点连接到指定点。 |
|
连接点:该代码表示会使用从当前点到指定的点 ID 的一条直线段来创建新地物(具有相同的要素)。连接点代码后跟一个指定的点 ID。 |
EP1 B CPN101 |
在本样例中,在当前点处创建了一个新地物,并且另一个具有一条直线段的名为 EP1.CPN101 的新地物绘制到了点 101。可以使用“地物特性”命令修改地物名称。 |
|
连接点代码始终创建由一条直线段组成的地物。下图显示了连接点代码的样例: ![]() |
||
|
矩形:该代码用于将进入当前点的线段按指定数字偏移。 |
BLD1 <矩形>40 |
正数表示向右偏移,负数表示向左偏移,这与直线段进入当前点的方向相对。如果矩形代码的后面没有数字,此代码将通过在进入当前点的上一条线段和地物的第一条线段之间执行垂直/垂直线相交来闭合地物。 注:
没有数字的矩形代码要求当前地物中至少存在三个以前定位的点。 |
|
下图显示了具有指定值 40 的矩形代码: ![]() |
||
|
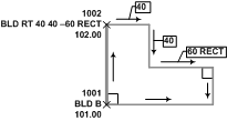
右侧转弯:该代码与直线段代码一起使用,以允许将其他顶点垂直插入或作为延长线(直偏移)插入到地物中。 |
BLD1 RT X10.1 5 -12.2 -5 -12.2 |
将活动地物 BLD1 延伸到当前点,将当前线段延伸 10.1 个单位,然后为每个值绘制垂直线段。 偏移值、<延伸> 或 <矩形> 代码在 <右侧转弯> 代码之后。正数表示向右折弯,负数表示向左折弯。 注:
使用 <延伸><值> 可以生成向正前方延伸的延长线(使用正 #),或向正后方延伸的延长线(使用负 #)。 注:
使用 <矩形> 代码完成 <右侧转弯> 代码,作为当前地物直线段中的垂直/垂直线交点回到开始线段。 |
|
下图显示了右侧转弯代码和矩形代码的样例: ![]() |
||
|
延伸:该代码用于通过使用正值使向前延伸并通过当前点的直线段生成延长线,或通过使用负值使未到达当前点的直线段生成延长线。 |
BLD1 X15.5 |
BLD1 表示将延伸活动地物,X 为延伸代码,15.5 表示地物直线段通过当前点延伸的值。 |
|
下图显示了延伸代码、右侧转弯代码和矩形代码的样例: ![]() |
||