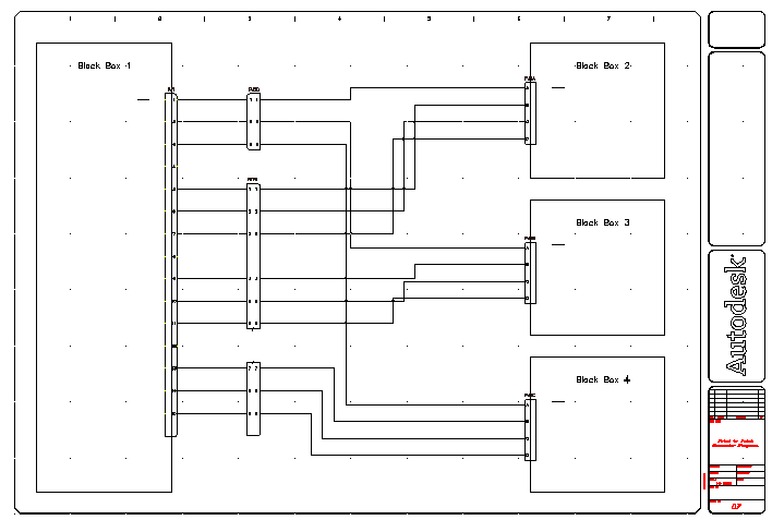
在既有配線中插入連接器。
使用配線將連接器連接在一起之後,您需要插入線內連接器,以對配線進行群組。
插入線內連接器


。 查找
接腳間距: 1.0
接腳計數: 3
於配線交叉點
接腳清單: 1
全部插入

指定插入點或 [Z = 縮放,P = 平移,X = 配線交叉,V = 水平/垂直,TAB = 翻轉]:
進行相應選取以將連接器放置在連接至 PJ1,接腳 1-3 的配線上



。 查找
接腳間距: 1.0
接腳計數: 9
於配線交叉點
接腳清單: 1
允許使用分隔符號/切斷
指定插入點或 [Z = 縮放,P = 平移,X = 配線交叉,V = 水平/垂直,TAB = 翻轉]:
進行相應選取以將連接器從 PJ1,接腳 5 處開始放置
請注意交叉配線時連接器的展開方式。
該對話方塊將顯示到目前為止已經插入的連接器。繼續按一下「插入下一連接」,直至您放置了九個連接中的六個。

指定插入點或 [Z = 縮放,P = 平移,X = 配線交叉,V = 水平/垂直,TAB = 翻轉]:
進行相應選取以將連接器從 PJ1,接腳 13 處開始放置




。 查找
要從其連結的元件: 選取 PJ6 (1) 的底部
要連結到的元件: 選取 PJ6 (2) 的頂部,然後按一下右鍵
