關於選取製圖標準 (AutoCAD Mechanical)

AutoCAD Mechanical 會對由製圖標準控制的所有設定進行群組,並將它們儲存至稱為標準的紀要中。

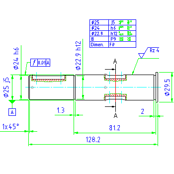
AutoCAD Mechanical 包含了八個此類紀要 (ANSI、BSI、CSN、DIN、GB、ISO、JIS 和 GOST),並將每個紀要規劃為與製圖標準相符。這些設定可控制 AutoCAD Mechanical 的內建工具如何建立幾何圖形。因此,AutoCAD Mechanical 被認為是以標準為導向的產品。下圖展示了將標準設定為 DIN 時所建立的軸的圖面。請注意註解遵循 DIN 標準的方式。

預設製圖標準

因為 AutoCAD Mechanical 是以標準為導向的,所以為圖面指定製圖標準至關重要。建立圖面時,AutoCAD Mechanical 會自動為圖面指定製圖標準。

如果開啟 AutoCAD 圖面或使用 AutoCAD 樣板 (.dwt) 建立圖面,AutoCAD Mechanical 會為圖面指定最適當的標準 (另請參閱以下有關「建立適用於其他圖面的標準取代和自訂標準」的說明)。您可以輕鬆變更製圖標準。

由製圖標準控制的設定

製圖標準控制標準的以下元素:

取代標準的元素

您可以取代所有依賴於標準的設定,以滿足您的特殊需求。程式用標準儲存取代。如果您變更至其他標準,則新標準的圖元會變為作用中狀態。如果您在繪製階段作業中間變更標準,則圖面中已存在的圖面物件不會反映變更。僅新物件才會遵循新選取的標準。如果您變更回原始標準,則之前有效的設定會再次處於作用中狀態。

註: 如果您在繪製階段作業中間變更標準,然後取代標準的元素,則取代僅會套用至變更標準後建立的物件。例如,您可以在標準為 ISO 時建立註記,然後將標準變更為 DIN。如果您之後取代了註記的文字顏色設定,則僅在您變更至 DIN 後建立的註記會反映變更。在 ISO 下建立的註記將保留其原始顏色。它們由 ISO 標準而非 DIN 控制。

自訂標準及其重要性

取代標準的元素時,AutoCAD Mechanical 會驗證取代,並且有時會阻止您建立違反標準的設定。若要避免驗證程序,請建立自訂標準並將其選取做為目前的製圖標準。

例如,ANSI 標準限制文字高度的選擇範圍為 0.1、0.12 與 0.24。若要使用其他文字高度,請根據 ANSI 標準建立自訂標準。自訂標準讓您可以將文字高度變更為任何值。所有其他設定均遵循 ANSI 標準。

使其他圖面可以使用標準取代和自訂標準

若要使以後的圖面可以使用自訂標準或標準取代,請將自訂標準或標準取代儲存至樣板圖面 (*.dwt)。如果您將此樣板設定為預設樣板,則無論您何時開啟 AutoCAD 圖面或根據 AutoCAD 樣板建立圖面,預設樣板中標準從屬的設定均會套用至圖面。如果預設樣板與 AutoCAD 圖面/樣板之間存在單位不相符,則 AutoCAD Mechanical 會像未設定預設樣板時一樣執行作業。如果未設定預設樣板,則 AutoCAD Mechanical 會指定 ANSI 標準 (適用於英制圖面) 或 ISO 標準 (適用於公制圖面)。

也可以用 AMSETUPDWG 指令從樣板圖面 (.dwt) 中匯入設定。在繪製階段作業中間匯入設定,類似於在繪製階段作業中間變更製圖標準或變更標準的元素。