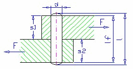
作用中的銷長度
作用中的銷長度 l f 是由倒角和圓角縮減後的長度。有效長度通常承載負載。
公式
剪切應力檢查
接觸壓力檢查
公制單位中的符號之解釋:
| τ |
剪切應力 [MPa] |
|
τ A |
允許的剪切應力 [MPa] |
|
d |
銷直徑 [mm] |
|
p 1 |
頂板中的壓力 [MPa] |
|
p 2 |
底板中的壓力 [MPa] |
|
p 1A |
頂板中允許的壓力 [MPa] |
|
p 2A |
底板中允許的壓力 [MPa] |
|
s 1 |
頂板厚度 [mm] |
|
s 2 |
底板厚度 [mm] |
英制單位中的符號之解釋:
| τ |
剪切應力 [psi] |
|
τ A |
允許的剪切應力 [psi] |
|
d |
銷直徑 [in] |
|
p 1 |
頂板中的壓力 [psi] |
|
p 2 |
底板中的壓力 [psi] |
|
p 1A |
頂板中允許的壓力 [psi] |
|
p 2A |
底板中允許的壓力 [psi] |
|
s 1 |
頂板厚度 [in] |
|
s 2 |
底板厚度 [in] |