放置鋼筋續接器
使用續接器將接合或相鄰鋼筋例證接合在一起。
影片:放置鋼筋續接器
按一下「結構」頁籤
「鋼筋」面板
(「鋼筋續接器」)
按一下如何放置續接器:
「修改 | 插入鋼筋續接器」頁籤
「放置選項」面板
(「放置在鋼筋端點上」)
「修改 | 插入鋼筋續接器」頁籤
「放置選項」面板
(「放置在兩條鋼筋之間」)
在「性質」選項板頂端的「類型」選取器中,選取所需的鋼筋續接器類型。續接器的大小必須符合鋼筋大小以進行連接。
在鋼筋上放置續接器。
如欲放置在鋼筋端點上,請選取所需的鋼筋端點。
如欲放置在兩條鋼筋間,請選取兩個有效的鋼筋例證。選取的第二條鋼筋將會為續接器重新定位並縮減 (如有需要)。
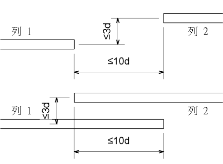
若為要連接兩個鋼筋例證的續接器,則連接的端點距離不可超過 10 鋼筋直徑。鋼筋之間的偏移不可超過 3 鋼筋直徑。
續接器放置公差
上層主題:
鋼筋續接器
相關概念
關於鋼筋續接器
關於鋼筋端點處理
相關工作
放置鋼筋集
相關參考
鋼筋續接器例證性質
鋼筋續接器類型性質
鋼筋續接器族群參數
相關資訊
修改鋼筋續接器