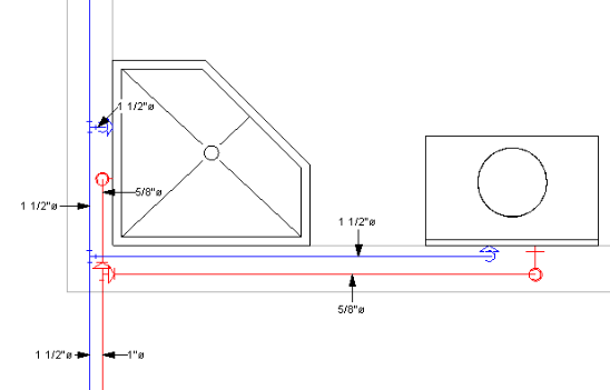
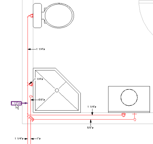
Die folgenden Abbildungen zeigen die Ergebnisse der Rohrgrößenbestimmung mit unterschiedlichen Methoden.

Vor der Größenänderung

Nach der Größenbestimmung

Vor der Größenänderung

Nach der Größenbestimmung

Vor der Größenbestimmung

Nach der Größenbestimmung

Vor der Größenbestimmung

Nach der Größenänderung

Vor der Größenänderung

Nach der Größenbestimmung

Einzelnes Rohr

Flussdiagramm