Eine Detailausschnittsbeschriftung ist ein Beschriftungstextelement, das die Position eines Detailausschnitts in einer übergeordneten Ansicht markiert.
Gruppe Einstellungen
Dropdown-Liste Zusätzliche Einstellungen, und wählen Sie das entsprechende Werkzeug aus. 
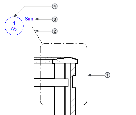
Die Detailausschnittsbeschriftung besteht aus folgenden Teilen:
Detailausschnittsbeschriftungsblock: Die um einen Teil der übergeordneten Ansicht gezogene Linie, die den Detailausschnittbereich definiert
Führungslinie: Eine Linie, die die Detailausschnittsbeschriftung mit dem Detailausschnittsbeschriftungsblock verbindet.
Referenzbeschriftung: Nur bei Referenzdetailausschnitten. In einer Detailausschnittsbeschriftung angezeigter Text, der Informationen über den Detailausschnitt anzeigt.
Detailausschnittsbeschriftung: Ein Symbol, das den Detailausschnitt kennzeichnet. Wird der Detailausschnitt auf einem Plan platziert, zeigt die Detailausschnittsbeschriftung standardmäßig die entsprechende Detailnummer und Plannummer an.