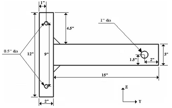
- Sie erstellen den 2D-Querschnitt einer Schweißkonstruktion, wie in der folgenden Abbildung gezeigt.
- Sie erstellen die Kontur der Geometrie mithilfe von Konstruktionsobjekten und generieren ein 2D-Netz mit einer absoluten Netzgröße von 0.15 Zoll. Sie verwenden die Skizzierebene YZ, da 2D-Modelle auf die YZ-Ebene beschränkt sein müssen.
- Die Schweißnähte sind 1 x 1 Zoll groß.
Weiter