This subassembly overlays one side of an existing road, and adds one or more travel lanes to the edge using the superelevation slope defined for the outside travel lane.

The attachment point is at the inside edge of the top of the overlay layer if the Overlay Depth is non-zero, or at the inside edge on finish surface of the widening lane if the Overlay Depth is zero.
Note: All dimensions are in meters or feet unless otherwise noted. All slopes are in run-over-rise form (for example, 4 : 1) unless indicated as a percent slope with a “%” sign.
|
Parameter |
Description |
Type |
Default |
|---|---|---|---|
|
Control Point Offset |
Offset of the control point, which defines the beginning of the pavement overlay layer |
Numeric |
0.0 |
|
Insert Point Offset |
Offset of the insertion point of the widening lane, which is typically at the existing edge of carriageway. Specifying a positive value for the this parameter inserts this subassembly on the right side of a corridor, or controlling baseline. A negative value inserts it on the left side. For more information, see "Inserting Subassemblies on Right and Left Sides of a Corridor" in the Corridors chapter of the AutoCAD Civil 3D User's Guide Help. |
Numeric |
0.0 |
|
Overlay Depth |
Depth of the overlay above the existing finish surface at the control point. |
Numeric, positive |
0.100 m 0.30 ft |
|
Width |
Width of the widening lane |
Numeric, positive |
3.6 m 12.0 ft |
|
Pave1 Depth |
Thickness of the Pave1 layer for the lane widening; zero to omit |
Numeric, positive |
0.025 m 0.083 ft |
|
Pave2 Depth |
Thickness of the Pave2 layer for the lane widening; zero to omit |
Numeric, positive |
0.025 m 0.083 ft |
|
Base Depth |
Thickness of the base layer for the lane widening |
Numeric, positive |
0.100 m 0.333 ft |
|
Subbase Depth |
Thickness of the subbase layer for the lane widening |
Numeric, positive |
0.300 m 1.0 ft |
This section lists the parameters in this subassembly that can be mapped to one or more target objects, such as a surface, alignment, or profile object in a drawing. For more information, see To Specify Corridor Targets.
|
Parameter |
Description |
Status |
|---|---|---|
|
Existing Surface |
Name of the Surface defining the existing carriageway. The following object types can be used as targets for specifying this surface: surfaces. |
Required |
|
Control Point Offset |
May be used to override the fixed Control Point Offset and tie the point to an offset alignment. The following object types can be used as targets for specifying this offset: alignments, polylines, feature lines, or survey figures. |
Optional |
|
Insert Point Offset |
May be used to override the fixed Insert Point Offset and tie the point to an offset alignment. The following object types can be used as targets for specifying this offset: alignments, polylines, feature lines, or survey figures. |
Optional |
|
Width |
May be used to override the fixed widening lane Width and tie the edge-of-lane to an offset alignment. The following object types can be used as targets for specifying this offset: alignments, polylines, feature lines, or survey figures. |
Optional |
|
Parameter |
Description |
Type |
|---|---|---|
|
%Slope |
The calculated slope on the existing surface from the Sample Point to the Insert Point |
Numeric |
The outside lane superelevation is obtained from the alignment properties of the current control alignment, and the level on the Existing Surface at the Control Point Offset is determined.
If a non-zero Overlay Depth is given, the overlay depth is applied at the control point. The top of the overlay layer extends to the Insert Point Offset at the superelevation slope, and the overlay shape is closed by superimposing links over the Existing Surface between the control and insert points and adding vertical links at each end. The widening lane is extended outward at the superelevation slope for the given Width from the edge of the overlay surface.
If the Overlay Depth is zero, the widening lane extends outward from the Insert Point Offset on the Existing Surface at the superelevation slope for the given Width.
The pavement layers are closed with vertical links at each end. A single vertical link is also placed from the inside edge of Subbase to the existing surface.
In layout mode, this subassembly may be attached to any convenient point. The overlay layer is shown at a uniform depth, with a width of 3.6 meters or 12 feet and extended at a slope of -2%. If the Overlay Depth is zero, the overlay is shown as a single link. The widening lane extends from the edge-of-overlay at a slope of -2%.
When used in corridor modeling mode, the shapes adjust to the selected control point, insert point, superelevation slope, and existing surface.

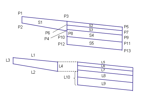
The following table lists the point, link, and shape codes for this subassembly that have codes assigned to them. Point, link, or shape codes for this subassembly that do not have codes assigned are not included in this table.
|
Point, Link, or Shape |
Code |
Description |
|---|---|---|
|
P5 |
EC |
Outside edge of widening lane on finish surface |
|
P7 |
EC_Pave1 |
Outside edge of widening lane on Pave1 |
|
P9 |
EC_Pave2 |
Outside edge of widening lane on Pave2 |
|
P11 |
EC_Base |
Outside edge of widening lane on Base |
|
P13 |
EC_Sub |
Outside edge of widening lane on Subbase |
|
L1, L5 |
Top, Pave |
Finish surface |
|
L2 |
Overlay |
Superimposed over links on the Existing Surface. Note that there may be more than a single link between points P3 and P4. |
|
L6 |
Pave1 |
|
|
L7 |
Pave2 |
|
|
L8 |
Base |
|
|
L9 |
SubBase, Datum |
|
|
L10 |
Datum |
|
|
S1 |
Overlay |
Area between the overlay and existing lane. |
|
S2 |
Pave1 |
|
|
S3 |
Pave2 |
|
|
S4 |
Base |
|
|
S5 |
SubBase |
