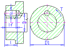
Recommended values
d = (0.12 - 0.25) D
l = (1 - 1.5) D
Active Pin Length
The pin active length l f is a length reduced by chamfering and filleting. The active length usually carries loading.
Formulas in metric units
Transferred torque
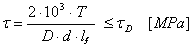
Shear stress check
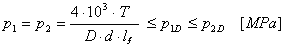
Contact pressure check
where:
|
P |
transferred power [kW] |
|
|
n |
speed [rpm] |
|
|
T |
torque [Nm] |
|
| τ |
shear stress [MPa] |
|
|
τ A |
allowable shear stress [MPa] |
|
|
d |
pin diameter [mm] |
|
|
p 1 |
pressure in the shaft [MPa] |
|
|
p 2 |
pressure in the hub [MPa] |
|
|
p 1A |
allowable pressure in the shaft [MPa] |
|
|
p 2A |
allowable pressure in the hub [MPa] |
|
|
D |
shaft diameter [mm] |
|
|
D 1 |
hub diameter [mm] |
|
|
l f |
active pin length [mm] |
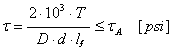
Formulas in English units
Transferred torque
Shear stress check
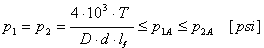
Contact pressure check
where:
|
P |
transferred power [HP] |
|
|
n |
speed [rpm] |
|
|
T |
torque [lb ft] |
|
| τ |
shear stress [psi] |
|
|
τ A |
allowable shear stress [psi] |
|
|
d |
pin diameter [in] |
|
|
p 1 |
pressure in the shaft [psi] |
|
|
p 2 |
pressure in the hub [psi |
|
|
p 1A |
allowable pressure in the shaft [psi] |
|
|
p 2A |
allowable pressure in the hub [psi] |
|
|
D |
shaft diameter [in] |
|
|
D 1 |
hub diameter [in] |
|
|
l f |
active pin length [in] |