Este subensamblaje se usa para superponer un lado de una carretera existente y añadir uno o más carriles de circulación al borde que rodea un empalme de intersección.
Es similar al subensamblaje SuperposiciónEnsancharCoincidirTalud1, salvo en que se extiende hacia el interior desde un punto superior de caz del bordillo existente o propuesto.

El punto de enlace se encuentra en el borde exterior de la sección de ensanchamiento del carril. Normalmente, este subensamblaje se inserta hacia el interior desde el ala de un bordillo y caz existente o propuesto, o desde el borde exterior del pavimento que rodea un empalme de intersección.
Nota: todas las dimensiones se ofrecen en metros o en pies a menos que se indique lo contrario. Todos los taludes se expresan como recorrido por altura (por ejemplo, 4:1), a menos que se indiquen como un porcentaje de talud mediante el signo “%”.
|
Parámetro |
Descripción |
Tipo |
Valor por defecto |
|---|---|---|---|
|
Lado |
Especifica en qué lado del punto de enlace se añadirá este subensamblaje. |
Booleano |
Izquierda / Derecha |
|
Anchura de ensanchamiento |
Anchura del carril de ensanchamiento. |
Numérico, positivo |
3.6 m 12.0 pies |
|
Anchura de superposición |
Anchura de la superposición del pavimento. |
Numérico, positivo |
3.6 m 12.0 pies |
|
Talud |
Talud de la superposición y el ensanchamiento. |
Numérico |
- 2% |
|
Profundidad de pavimento1 |
Grosor de la capa de pavimento1 para el ensanchamiento del carril; cero para omitir. |
Numérico, positivo |
0.025 m 0.083 pies |
|
Profundidad de pavimento2 |
Grosor de la capa de pavimento2 para el ensanchamiento del carril; cero para omitir. |
Numérico, positivo |
0.025 m 0.083 pies |
|
Profundidad base |
Grosor de la capa base para el ensanchamiento del carril. |
Numérico, positivo |
0.100 m 0.333 pies |
|
Profundidad de sub-base |
Grosor de la capa sub-base para el ensanchamiento del carril. |
Numérico, positivo |
0.300 m 1.0 pies |
Esta sección muestra los parámetros de este subensamblaje que se pueden asignar a uno o varios objetos de destino, como una superficie, una alineación o un objeto de perfil en un dibujo. Para obtener más información, consulte Para especificar objetivos de obra lineal.
|
Parámetro |
Descripción |
Estado |
|---|---|---|
|
Superficie existente |
Nombre de la superficie que define la carretera existente. Los tipos de objeto siguientes se pueden utilizar como destinos para especificar esta superficie: superficies. |
Obligatorio |
|
Desfase de ensanchamiento |
Se puede utilizar para modificar el valor fijo de la anchura de ensanchamiento y asociar el borde interior del ensanchamiento a una alineación. Los tipos de objeto siguientes se pueden utilizar como destinos para especificar este desfase: alineaciones, polilíneas, líneas características o representaciones topográficas. |
Opcional |
|
Offset Overlay |
Se puede utilizar para modificar la anchura de superposición y asociar el borde interior de la superposición a una alineación. Los tipos de objeto siguientes se pueden utilizar como destinos para especificar este desfase: alineaciones, polilíneas, líneas características o representaciones topográficas. |
Opcional |
|
Perfil de superposición |
Se puede utilizar para modificar el talud y asociar la elevación del borde interior de la superposición a un perfil, lo que da como resultado un talud calculado. Los tipos de objeto siguientes se pueden utilizar como destinos para especificar esta elevación: perfiles, polilíneas 3D, líneas características o representaciones topográficas. |
Opcional |
|
Parámetro |
Descripción |
Tipo |
|---|---|---|
|
% talud |
Talud calculado en la superficie existente desde el punto de muestra hasta el punto de inserción |
Numérico |
El punto de enlace determina el desfase y la elevación del borde exterior del ensanchamiento. La ubicación del borde interior del ensanchamiento y del borde interior de la superposición se determina usando los valores dados de las anchuras y el talud. Las alineaciones se pueden usar para modificar las anchuras numéricas dadas. Si se proporciona el perfil de superposición, el talud se calcula entre la elevación del perfil en el borde interior de la superposición y el punto de enlace.
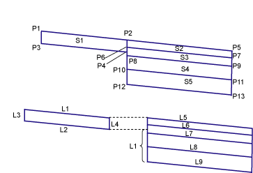
La siguiente ilustración muestra una situación con un perfil de desfase de superposición. (Si se proporciona el perfil de superposición, el talud se calcula entre la elevación del perfil en el borde interior de la superposición y el punto de enlace.)

La siguiente ilustración muestra una situación sin perfil de desfase de superposición.

Es importante señalar que el talud de la izquierda a la derecha de este subensamblaje es el mismo. Además, se aplica el mismo talud a todas las sub-superficies.
Por último, si se enlaza un perfil de superposición, es necesario añadir vínculos verticales (a) desde el “desfase de superposición” a la superficie (TE) de objetivo y (b) desde el final de la superposición y el inicio del ensanchamiento a la superficie (TE) de objetivo, y (c) añadir vínculos entre dos puntos situados a lo largo de (que sigan) los vínculos de la superficie (TE) de objetivo.
El área definida por esta forma se debe codificar como “Superposición” (S1) en el diagrama de codificación siguiente.
La superposición es el área comprendida entre la parte superior de la superposición y el terreno existente, y puede tener una profundidad no uniforme.
En el modo de diseño, este subensamblaje se enlaza a cualquier punto adecuado. El subensamblaje se muestra con los valores dados de las anchuras y el talud. En el modo de modelado, las formas se ajustan a las condiciones reales definidas por la superficie existente y el perfil y las alineaciones lógicas en tiempo de ejecución.
En la siguiente tabla se muestran los códigos de punto, de vínculo y de forma de este subensamblaje que tienen códigos asignados. Los códigos de punto, de vínculo y de forma de este subensamblaje que no tienen códigos asignados no se incluyen en esta tabla.
| Punto, vínculo o forma | Códigos | Descripción |
|---|---|---|
| P5 | ETW | Borde exterior del carril de ensanchamiento en la rasante |
| P7 | ETW_Pave1 | Borde exterior del carril de ensanchamiento en Pavimento1 |
| P9 | ETW_Pave2 | Borde exterior del carril de ensanchamiento en Pavimento2 |
| P11 | ETW_Base | Borde exterior del carril de ensanchamiento en Base |
| P13 | ETW_Sub | Borde exterior del carril de ensanchamiento en Sub-base |
| L1, L5 | Top, Pave | Superficie de la rasante |
| L2 | Overlay | Superimpuesta sobre los vínculos en la superficie existente. Puede haber más de un solo vínculo entre los puntos P3 y P4. |
| L6 | Pave1 | |
| L7 | Pave2 | |
| L8 | Base | |
| L9 | SubBase, Datum | |
| L10 | Datum | |
| S1 | Overlay | Área entre la superposición y el carril existente. |
| S2 | Pave1 | |
| S3 | Pave2 | |
| S4 | Base | |
| S5 | SubBase |
