Una etiqueta de llamada es un elemento de anotación que marca la ubicación de una llamada en una vista principal.
grupo Configuración
menú desplegable Configuración adicional, y seleccione la herramienta adecuada. 
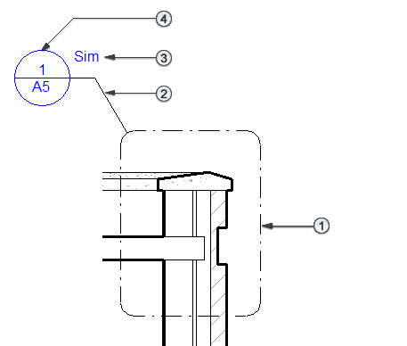
La etiqueta de llamada consta de las partes siguientes:
Burbuja de llamada. La línea trazada alrededor de una parte de la vista principal para definir el área de llamada.
Línea directriz. Una línea que conecta el extremo de llamada con la burbuja de llamada.
Texto de etiqueta de referencia. Solo para llamadas de referencia. Texto que aparece en una etiqueta de llamada para proporcionar información sobre la llamada.
Extremo de llamada. Un símbolo que identifica la llamada. Si coloca la llamada en un plano, el extremo de llamada muestra por defecto los números de detalle y plano correspondientes.