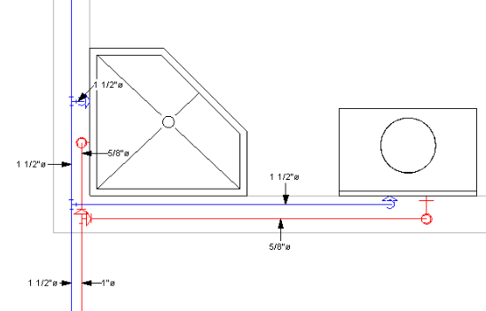
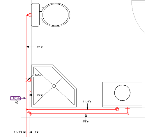
En las imágenes siguientes se muestran los resultados de los diferentes métodos de ajuste de tamaño de las tuberías.

Antes de ajustar el tamaño

Después de ajustar el tamaño

Antes de ajustar el tamaño

Después de ajustar el tamaño

Antes de ajustar el tamaño

Después de ajustar el tamaño

Antes de ajustar el tamaño

Después de ajustar el tamaño

Antes de ajustar el tamaño

Después de ajustar el tamaño

Una tubería

Diagrama de flujo