Options d'annotations

L'annotation est le texte de la cote :

Utilisez la boite de dialogue pour changer les options d’Annotation :

Style — Sélectionnez un style de ligne dans la liste.

Police — Sélectionnez la police à utiliser pour l'annotation.

Texte incorporé — Sélectionnez cette option pour intégrer le texte dans la ligne de cote.

Texte horizontal — Sélectionnez cette option pour changer tout le texte de façon à ce qu'il soit positionné horizontalement au plan principal.

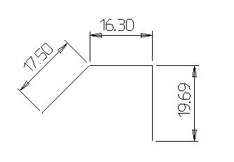
Supposons que les cotes sont inclinées comme montré ci-dessous :

Quand le texte est changé pour horizontal, les cotes ressemblent à :

Facteur d'espacement — Edite l'écart entre la ligne de cote et le texte :

Fractions — Convertit la partie décimale de la cote en une fraction, par défaut au 8ème le plus proche.

Dénominateur de fraction — Défini le dénominateur de la fraction à une valeur particulière. C'est utile si vous voulez comparer des valeurs de dimensions.

Hauteur de caractère — Edite la hauteur du texte.

Pas — Cela définit l'espace entre les caractères.

Caractères proportionnels — (Police DUCT uniquement) Quand sélectionné, l'espace occupé par chaque caractère n'est pas fixe.

Format des angles — Change comment une cote angulaire est affichée. Vous pouvez choisir le format de l'angle pour afficher toutes les cotes angulaires avec une des options suivantes :

Emplacement des décimales — La place de la décimale est le nombre de chiffres après la virgule. Par défaut, il y a deux chiffres après la virgule.

Retirer les zéros inutiles — Si cette option est sélectionnée, n'importe quel zéro restant, après la virgule, est retiré de l'annotation de cote. Cette option est désélectionnée par défaut.

Options de cotation multi-pièces — Les options suivantes sont pour la cotation parallèle, les chaînes de cotes et la cotation superposée :