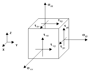
Les structures volumiques dans le logiciel Robot sont modélisés à l'aide des éléments finis volumiques isoparamétriques avec une approximation du champ des déplacements par les fonctions de forme du premier rang. La convention des signes est présentée de façon schématique sur la figure ci-dessous. La convention est présentée pour les contraintes ; les contraintes représentées sur le dessin ont le signe positif.
