Cotes de forme de coupe en acier (autre)

Passez en revue et modifiez les valeurs des paramètres de cote de forme de coupe des autres éléments d'ossature en acier.

Ces propriétés de type sont créées à partir du paramètre de catégorie de famille Forme de coupe de l'élément.

Forme de coupe Paramètres de forme de cote disponibles
Barre rectangulaire

B. : Largeur : largeur externe de la forme de coupe.

H. Hauteur : hauteur externe de la forme de coupe.

y. Centre de gravité horizontal : distance entre le centre de gravité de la forme de coupe et les extrémités de gauche le long de l'axe horizontal.

z . Centre de gravité vertical : distance entre le centre de gravité de la forme de coupe et les extrémités inférieures le long de l'axe vertical.

Coupe rectangulaire

B. : Largeur : largeur externe de la forme de coupe.

H. Hauteur : hauteur externe de la forme de coupe.

y. Centre de gravité horizontal : distance entre le centre de gravité de la forme de coupe et les extrémités de gauche le long de l'axe horizontal.

z . Centre de gravité vertical : distance entre le centre de gravité de la forme de coupe et les extrémités inférieures le long de l'axe vertical.

Barre ronde

D.. Diamètre : diamètre externe de la forme de coupe circulaire.

y. Centre de gravité horizontal : distance entre le centre de gravité de la forme de coupe et les extrémités de gauche le long de l'axe horizontal.

z . Centre de gravité vertical : distance entre le centre de gravité de la forme de coupe et les extrémités inférieures le long de l'axe vertical.

Sections en T :

B. : Largeur : largeur externe de la forme de coupe.

H. Hauteur : hauteur externe de la forme de coupe.

y. Centre de gravité horizontal : distance entre le centre de gravité de la forme de coupe et les extrémités de gauche le long de l'axe horizontal.

z . Centre de gravité vertical : distance entre le centre de gravité de la forme de coupe et les extrémités inférieures le long de l'axe vertical.

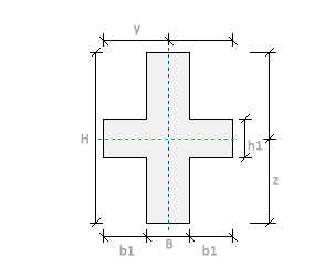
En forme de croix

B. : Largeur : largeur externe de la forme de coupe.

H. Hauteur : hauteur externe de la forme de coupe.

y. Centre de gravité horizontal : distance entre le centre de gravité de la forme de coupe et les extrémités de gauche le long de l'axe horizontal.

z . Centre de gravité vertical : distance entre le centre de gravité de la forme de coupe et les extrémités inférieures le long de l'axe vertical.

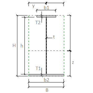
Eléments soudés en I (acier ajouré et soudé)

B. : Largeur : largeur externe de la forme de coupe.

H. Hauteur : hauteur externe de la forme de coupe.

T2. Epaisseur de l'aile supérieure : distance entre les surfaces extérieures de l'aile supérieure dans la forme de coupe d'un élément ajouré ou soudé.

b1. Largeur de l'aile supérieure : largeur externe de l'aile supérieure dans la forme de coupe d'un élément ajouré ou soudé.

T1. Epaisseur de l'aile inférieure : distance entre les surfaces extérieures de l'aile inférieure dans la forme de coupe d'un élément ajouré ou soudé.

b2. Largeur de l'aile inférieure : largeur externe de l'aile inférieure dans la forme de coupe d'un élément ajouré ou soudé.

t. Epaisseur de l'âme : distance entre les surfaces extérieures de l'âme dans la forme de coupe.

h. Hauteur de l'âme : distance le long de l'âme entre les ailes dans la forme de coupe.

y. Centre de gravité horizontal : distance entre le centre de gravité de la forme de coupe et les extrémités de gauche le long de l'axe horizontal.

z . Centre de gravité vertical : distance entre le centre de gravité de la forme de coupe et les extrémités inférieures le long de l'axe vertical.