Ricoprimento amplia corrispondenza pendenza 1

Questo componente sezione tipo esegue il ricoprimento di un lato di una sezione stradale esistente e aggiunge al ciglio una o più corsie di percorrenza, mantenendo le pendenze esistenti della corsia.

Associazione

Il punto di associazione si trova in corrispondenza del lato interno della sommità dello strato di ricoprimento.

Parametri di input

Nota: tutte le quote sono espresse in metri o in piedi, se non diversamente indicato. Tutte le pendenze sono espresse come rapporto scostamento orizzontale su differenza di quota (ad esempio 4 : 1) a meno che il segno "%" non indichi che vanno espresse in percentuale.

Parametro

Descrizione

Tipo

Default

Scostamento punto campione

Scostamento del punto campione, che può trovarsi ovunque tra il punto di inserimento e il successivo cambio di pendenza sulla superficie stradale esistente. La posizione più comune per il punto campione è il colmo stradale, oppure il ciglio opposto della corsia, se la sezione stradale è a falda unica.

Numerico

0.0

Scostamento punto di inserimento

Scostamento del punto di inserimento che si trova generalmente in corrispondenza del ciglio corsia dove deve essere eseguito l'allargamento

Numerico

0.0

Spessore ricoprimento

Spessore del ricoprimento sulla finitura esistente

Numerico, positivo

0.100 m

0.30 piedi

Larghezza

Larghezza della corsia di allargamento

Numerico, positivo

3.6 m

12.0 piedi

Spessore Pavimentazione1

Spessore dello strato Pavimentazione1 per l'allargamento della corsia (zero per omettere)

Numerico, positivo

0.025 m

0.083 piedi

Spessore Pavimentazione2

Spessore dello strato Pavimentazione2 per l'allargamento della corsia (zero per omettere)

Numerico, positivo

0.025 m

0.083 piedi

Spessore Base

Spessore dello strato di base per l'allargamento della corsia

Numerico, positivo

0.100 m

0.333 piedi

Spessore Sottobase

Spessore dello strato di sottobase per l'allargamento della corsia

Numerico, positivo

0.300 m

1.0 piedi

Parametri obiettivo

In questa sezione sono elencati i parametri del componente sezione tipo che possono essere associati ad uno o più oggetti obiettivo, quale un oggetto superficie, tracciato o profilo di una Carta. Per ulteriori informazioni, vedere Come specificare obiettivi del modellatore.

Parametro

Descrizione

Stato

Superficie esistente

Nome della superficie che definisce la sezione stradale esistente. È possibile utilizzare il seguente tipo di oggetto come obiettivo per la specificazione della superficie: superfici.

Obbligatorio

Scostamento punto campione

Può essere utilizzato per sostituire il valore fisso Scostamento punto campione e collegare il punto ad un tracciato scostamento. È possibile utilizzare i seguenti tipi di oggetto come obiettivi per la specificazione dell'offset: tracciati, polilinee, linee caratteristiche o figure di rilievo.

Facoltativo

Scostamento punto di inserimento

Può essere utilizzato per sostituire il valore fisso Scostamento punto di inserimento e collegare il punto ad un tracciato scostamento È possibile utilizzare i seguenti tipi di oggetto come obiettivi per la specificazione dell'offset: tracciati, polilinee, linee caratteristiche o figure di rilievo.

Facoltativo

Larghezza

Può essere utilizzato per sostituire il valore fisso Larghezza della corsia di allargamento e collegare il bordo della corsia ad un tracciato scostamento È possibile utilizzare i seguenti tipi di oggetto come obiettivi per la specificazione dell'offset: tracciati, polilinee, linee caratteristiche o figure di rilievo.

Facoltativo

Parametri di output

Parametro

Descrizione

Tipo

Pendenza %

La pendenza calcolata sulla superficie esistente dal punto campione al punto di inserimento

Numerico

Funzionamento

Vengono determinate le quote altimetriche del punto campione e del punto di inserimento sulla superficie esistente, e viene calcolata la pendenza dal punto campione al punto di inserimento. Sulla corsia esistente viene aggiunto uno strato di ricoprimento, alla stessa pendenza per lo spessore di ricoprimento specificato. Viene creata una forma di ricoprimento chiusa sovrapponendo uno o più collegamenti sulla pendenza % esistente. La corsia di allargamento viene associata esternamente dal ricoprimento in corrispondenza dello scostamento di inserimento, usando la pendenza calcolata.

Gli strati della pavimentazione sono chiusi con collegamenti verticali a ciascuna estremità. Viene aggiunto inoltre un singolo collegamento verticale dal bordo interno della sottobase alla superficie esistente.

Funzionamento in modalità layout

In modalità layout questo componente sezione tipo è associato a qualsiasi punto appropriato. Lo strato di ricoprimento viene visualizzato ad uno spessore uniforme per una larghezza di 3,6 metri o 12 piedi, con pendenza -2%. La corsia di allargamento si estende dal bordo del ricoprimento per la larghezza e lo spessore specificati con pendenza -2%.

In modalità modellazione le forme vengono regolate sulle condizioni effettive determinate in base al punto campione, al punto di inserimento e alla superficie esistente.

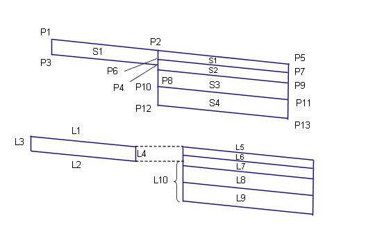
Codici punto, collegamento e forma

Nella tabella seguente sono elencati i codici punto, collegamento e forma di questo componente sezione tipo ai quali sono assegnati codici. Quelli che non dispongono di codice non sono inclusi nella tabella.

Punto, collegamento o forma

Codice

Descrizione

P5

ETW

Bordo esterno della corsia di allargamento sulla finitura

P7

ETW_Pave1

Bordo esterno della corsia di allargamento su Pavimentazione1

P9

ETW_Pave2

Bordo esterno della corsia di allargamento su Pavimentazione2

P11

ETW_Base

Bordo esterno della corsia di allargamento su Base

P13

ETW_Sub

Bordo esterno della corsia di allargamento su Sottobase

L1, L5

Top, Pave

Superficie di finitura

L2

Overlay

Sovrapposto ai collegamenti sulla superficie esistente. Si noti che possono esistere più collegamenti tra i punti P3 e P4.

L6

Pave1

L7

Pave2

L8

Base

L9

SubBase, Datum

L10

Datum

S1

Overlay

Area tra ricoprimento e corsia esistente

S2

Pave1

S3

Pave2

S4

Base

S5

SubBase

Diagramma di codifica