Quote della forma di sezione - Acciaio laminato a caldo

È possibile esaminare e modificare i valori dei parametri di quota per la forma di sezione degli elementi del telaio strutturale in acciaio laminato a caldo.

Tali proprietà del tipo vengono create in base al parametro della categoria di famiglia Forma sezione dell'elemento.

Forma di sezione Parametri di quota della forma disponibili
Standard tubazioni

D. Diametro: diametro esterno della forma di sezione circolare.

T. Spessore di progettazione parete: spessore perpendicolare di progettazione tra le superfici interna ed esterna di una forma di sezione.

t. Spessore nominale parete: distanza perpendicolare media tra le superfici interna ed esterna della forma di sezione.

y. Baricentro orizzontale: distanza tra il baricentro della forma di sezione e le estremità sinistre lungo l'asse orizzontale.

z. Baricentro verticale: distanza tra il baricentro della forma di sezione e le estremità inferiori lungo l'asse verticale.

alpha. Angolo assi principali: angolo di rotazione tra gli assi principali e i piani di riferimento della sezione trasversale. Questo parametro è elencato come parametro famiglia di Analisi strutturale.

Profilato a I - Ala parallela

B. Larghezza: larghezza esterna della forma di sezione.

H. Altezza: altezza esterna della forma di sezione.

T. Spessore ala: distanza tra le superfici esterne dell'ala nella forma di sezione.

t. Spessore anima: distanza tra le superfici esterne dell'anima nella forma di sezione.

r. Raccordo anima: raggio del raccordo tra l'anima e l'ala.

y. Baricentro orizzontale: distanza tra il baricentro della forma di sezione e le estremità sinistre lungo l'asse orizzontale.

z. Baricentro verticale: distanza tra il baricentro della forma di sezione e le estremità inferiori lungo l'asse verticale.

alpha. Angolo assi principali: angolo di rotazione tra gli assi principali e i piani di riferimento della sezione trasversale. Questo parametro è elencato come parametro famiglia di Analisi strutturale.

Profilato a I - Ala inclinata

B. Larghezza: larghezza esterna della forma di sezione.

H. Altezza: altezza esterna della forma di sezione.

T. Spessore ala: distanza tra le superfici esterne dell'ala nella forma di sezione.

AS.Posizione spessore flangia: la distanza dall'estremità dell'ala inclinata nel punto in cui viene misurato lo spessore della flangia.

SA.Angolo ala inclinata: l'angolo tra il piano dell'ala inclinata e il piano orizzontale nella forma di sezione.

t. Spessore anima: distanza tra le superfici esterne dell'anima nella forma di sezione.

r1. Raccordo anima: raggio del raccordo tra l'anima e l'ala.

r2. Raccordo ala: raggio del raccordo all'estremità di un'ala nella forma di sezione.

y. Baricentro orizzontale: distanza tra il baricentro della forma di sezione e le estremità sinistre lungo l'asse orizzontale.

z. Baricentro verticale: distanza tra il baricentro della forma di sezione e le estremità inferiori lungo l'asse verticale.

alpha. Angolo assi principali: angolo di rotazione tra gli assi principali e i piani di riferimento della sezione trasversale. Questo parametro è elencato come parametro famiglia di Analisi strutturale.

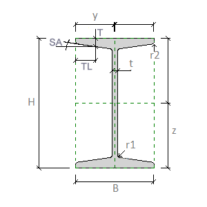
Profilato a I - Ala larga

B. Larghezza: larghezza esterna della forma di sezione.

H. Altezza: altezza esterna della forma di sezione.

T. Spessore ala: distanza tra le superfici esterne dell'ala nella forma di sezione.

t. Spessore anima: distanza tra le superfici esterne dell'anima nella forma di sezione.

r. Raccordo anima: raggio del raccordo tra l'anima e l'ala.

y. Baricentro orizzontale: distanza tra il baricentro della forma di sezione e le estremità sinistre lungo l'asse orizzontale.

z. Baricentro verticale: distanza tra il baricentro della forma di sezione e le estremità inferiori lungo l'asse verticale.

alpha. Angolo assi principali: angolo di rotazione tra gli assi principali e i piani di riferimento della sezione trasversale. Questo parametro è elencato come parametro famiglia di Analisi strutturale.

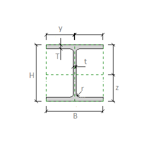
Profilato a C - Ala parallela

B. Larghezza: larghezza esterna della forma di sezione.

H. Altezza: altezza esterna della forma di sezione.

T. Spessore ala: distanza tra le superfici esterne dell'ala nella forma di sezione.

t. Spessore anima: distanza tra le superfici esterne dell'anima nella forma di sezione.

r. Raccordo anima: raggio del raccordo tra l'anima e l'ala.

y. Baricentro orizzontale: distanza tra il baricentro della forma di sezione e le estremità sinistre lungo l'asse orizzontale.

z. Baricentro verticale: distanza tra il baricentro della forma di sezione e le estremità inferiori lungo l'asse verticale.

alpha. Angolo assi principali: angolo di rotazione tra gli assi principali e i piani di riferimento della sezione trasversale. Questo parametro è elencato come parametro famiglia di Analisi strutturale.

Profilato a C - Ala inclinata

B. Larghezza: larghezza esterna della forma di sezione.

H. Altezza: altezza esterna della forma di sezione.

T. Spessore ala: distanza tra le superfici esterne dell'ala nella forma di sezione.

AS.Posizione spessore flangia: la distanza dall'estremità dell'ala inclinata nel punto in cui viene misurato lo spessore della flangia.

SA.Angolo ala inclinata: l'angolo tra il piano dell'ala inclinata e il piano orizzontale nella forma di sezione.

t. Spessore anima: distanza tra le superfici esterne dell'anima nella forma di sezione.

r1. Raccordo anima: raggio del raccordo tra l'anima e l'ala.

r2. Raccordo ala: raggio del raccordo all'estremità di un'ala nella forma di sezione.

y. Baricentro orizzontale: distanza tra il baricentro della forma di sezione e le estremità sinistre lungo l'asse orizzontale.

z. Baricentro verticale: distanza tra il baricentro della forma di sezione e le estremità inferiori lungo l'asse verticale.

alpha. Angolo assi principali: angolo di rotazione tra gli assi principali e i piani di riferimento della sezione trasversale. Questo parametro è elencato come parametro famiglia di Analisi strutturale.

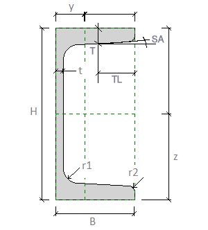
Angolare a L

B. Larghezza: larghezza esterna della forma di sezione.

H. Altezza: altezza esterna della forma di sezione.

T. Spessore ala: distanza tra le superfici esterne dell'ala nella forma di sezione.

t. Spessore anima: distanza tra le superfici esterne dell'anima nella forma di sezione.

r1. Raccordo anima: raggio del raccordo tra l'anima e l'ala.

r2. Raccordo ala: raggio del raccordo all'estremità di un'ala nella forma di sezione.

r3. Raccordo ala: raggio del raccordo all'inizio di un'anima nella forma di sezione.

y. Baricentro orizzontale: distanza tra il baricentro della forma di sezione e le estremità sinistre lungo l'asse orizzontale.

z. Baricentro verticale: distanza tra il baricentro della forma di sezione e le estremità inferiori lungo l'asse verticale.

alpha. Angolo assi principali: angolo di rotazione tra gli assi principali e i piani di riferimento della sezione trasversale. Questo parametro è elencato come parametro famiglia di Analisi strutturale.

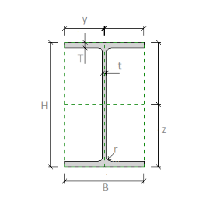
Profilato a I diviso - Ala parallela

B. Larghezza: larghezza esterna della forma di sezione.

H. Altezza: altezza esterna della forma di sezione.

T. Spessore ala: distanza tra le superfici esterne dell'ala nella forma di sezione.

t. Spessore anima: distanza tra le superfici esterne dell'anima nella forma di sezione.

r. Raccordo anima: raggio del raccordo tra l'anima e l'ala.

y. Baricentro orizzontale: distanza tra il baricentro della forma di sezione e le estremità sinistre lungo l'asse orizzontale.

z. Baricentro verticale: distanza tra il baricentro della forma di sezione e le estremità inferiori lungo l'asse verticale.

alpha. Angolo assi principali: angolo di rotazione tra gli assi principali e i piani di riferimento della sezione trasversale. Questo parametro è elencato come parametro famiglia di Analisi strutturale.

Profilato a I diviso - Ala inclinata

B. Larghezza: larghezza esterna della forma di sezione.

H. Altezza: altezza esterna della forma di sezione.

T. Spessore ala: distanza tra le superfici esterne dell'ala nella forma di sezione.

AS.Posizione spessore flangia: la distanza dall'estremità dell'ala inclinata nel punto in cui viene misurato lo spessore della flangia.

SA.Angolo ala inclinata: l'angolo tra il piano dell'ala inclinata e il piano orizzontale nella forma di sezione.

t. Spessore anima: distanza tra le superfici esterne dell'anima nella forma di sezione.

r1. Raccordo anima: raggio del raccordo tra l'anima e l'ala.

r2. Raccordo ala: raggio del raccordo all'estremità di un'ala nella forma di sezione.

y. Baricentro orizzontale: distanza tra il baricentro della forma di sezione e le estremità sinistre lungo l'asse orizzontale.

z. Baricentro verticale: distanza tra il baricentro della forma di sezione e le estremità inferiori lungo l'asse verticale.

alpha. Angolo assi principali: angolo di rotazione tra gli assi principali e i piani di riferimento della sezione trasversale. Questo parametro è elencato come parametro famiglia di Analisi strutturale.

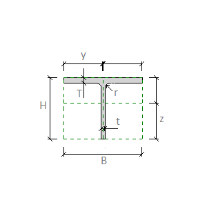
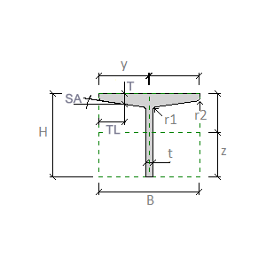
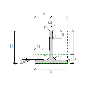
T strutturali

B. Larghezza: larghezza esterna della forma di sezione.

H. Altezza: altezza esterna della forma di sezione.

AS.Posizione spessore flangia: la distanza dall'estremità dell'ala inclinata nel punto in cui viene misurato lo spessore della flangia.

SA.Angolo ala inclinata: l'angolo tra il piano dell'ala inclinata e il piano orizzontale nella forma di sezione.

t. Spessore anima: distanza tra le superfici esterne dell'anima nella forma di sezione.

tl.Posizione spessore anima: la distanza tra l'estremità dell'anima inclinata nel punto in cui lo spessore dell'anima viene misurato.

sa.Angolo anima inclinata: l'angolo tra il piano dell’anima inclinata e il piano verticale nella forma di sezione.

r1. Raccordo anima: raggio del raccordo tra l'anima e l'ala.

r2. Raccordo ala: raggio del raccordo all'estremità di un'ala nella forma di sezione.

r3. Raccordo ala: raggio del raccordo all'inizio di un'anima nella forma di sezione.

y. Baricentro orizzontale: distanza tra il baricentro della forma di sezione e le estremità sinistre lungo l'asse orizzontale.

z. Baricentro verticale: distanza tra il baricentro della forma di sezione e le estremità inferiori lungo l'asse verticale.

alpha. Angolo assi principali: angolo di rotazione tra gli assi principali e i piani di riferimento della sezione trasversale. Questo parametro è elencato come parametro famiglia di Analisi strutturale.